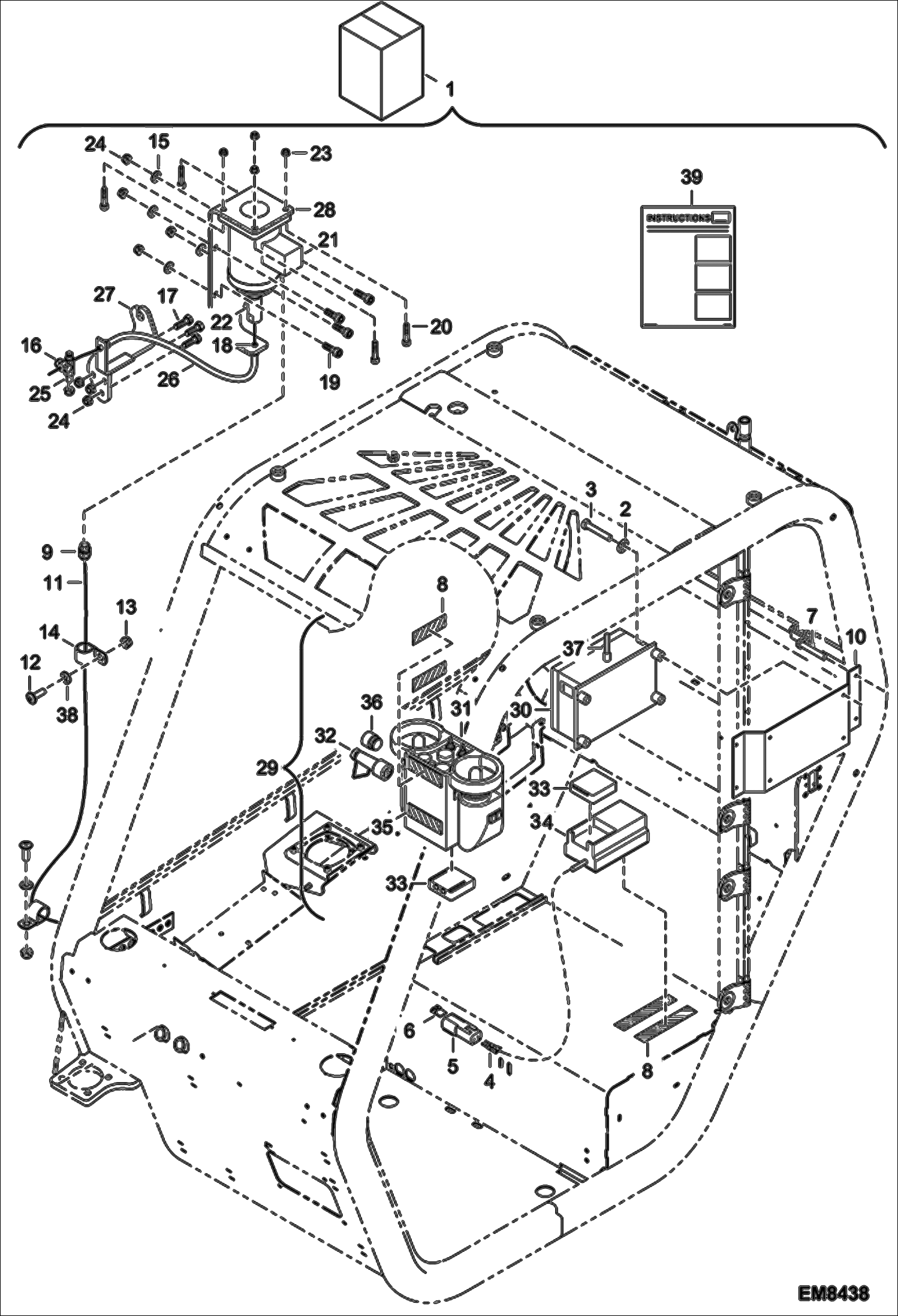
Запчасти Bobcat T40140 RADIO CONTROL KIT (For Machines Equiped Platform Ready) (S/N 363211098 & Above, S/N 363311160 & Above) ACCESSORIES & OPTIONS

Схема запчастей Bobcat T40140 - RADIO CONTROL KIT (For Machines Equiped Platform Ready) (S/N 363211098 & Above, S/N 363311160 & Above) ACCESSORIES & OPTIONS
FIT
1:1
100%

Артикул

Название

Примечание

Количество

1

6925319

KIT, RADIO CONTROL for machines equiped ''platform ready'' - W/Ref. 2-39

2

13416.3

Washer

3

32397.2

Screw

4

78923.0

CONTACTEUR

5

79531.0

Connector

6

79532.8

Connector

7

79864.5

Screw

8

82061.3

ADHESIVE VELCRO 500 mm (19.69'') long - sold per foot

9

96627.5

Cable plug

10

6908541

PLATE

11

6913575

WIRE HARNESS

12

6927921

SCREW

13

6927995

NUT

14

30H46

CLIP

15

000350-01U

WASHER

16

7231142

STOP, CABLE Was 000368-80M - A

17

01591.7

Screw

18

7231142

STOP, CABLE Was 009368-06S - A

19

10167.5

Screw

20

6GM525

SCREW Was 33786.5 - A

21

7231582

MAGNET Was 80266.0 - A

22

7231140

CABLE Was 80697.6 - A

23

100345-05V

NUT

24

100345-06W

NUT

25

7231141

ARM Was 6913057 - A

26

6913276

Cable

27

6913278

Support

28

6913531

Acceleration Plate

29

6925495

KIT, HETRONIC W/Ref. 30-37

30

6924887

RADIO RECIEVER

31

6919921

RADIO CONTROL TRANSMITTER

32

97925.2

OPERATING KEY

33

97924.5

BATTERY

34

97923.7

Battery loader

35

82060.5

ADHESIVE VELCRO 200 mm (7.88'') long - sold per foot

36

6925313

KEY, RED

37

6925314

ANTENNA

38

006350-02U

WASHER

39

6987341

INSTALLATION INSTRUCTIONS

Выбрано товаров: 39