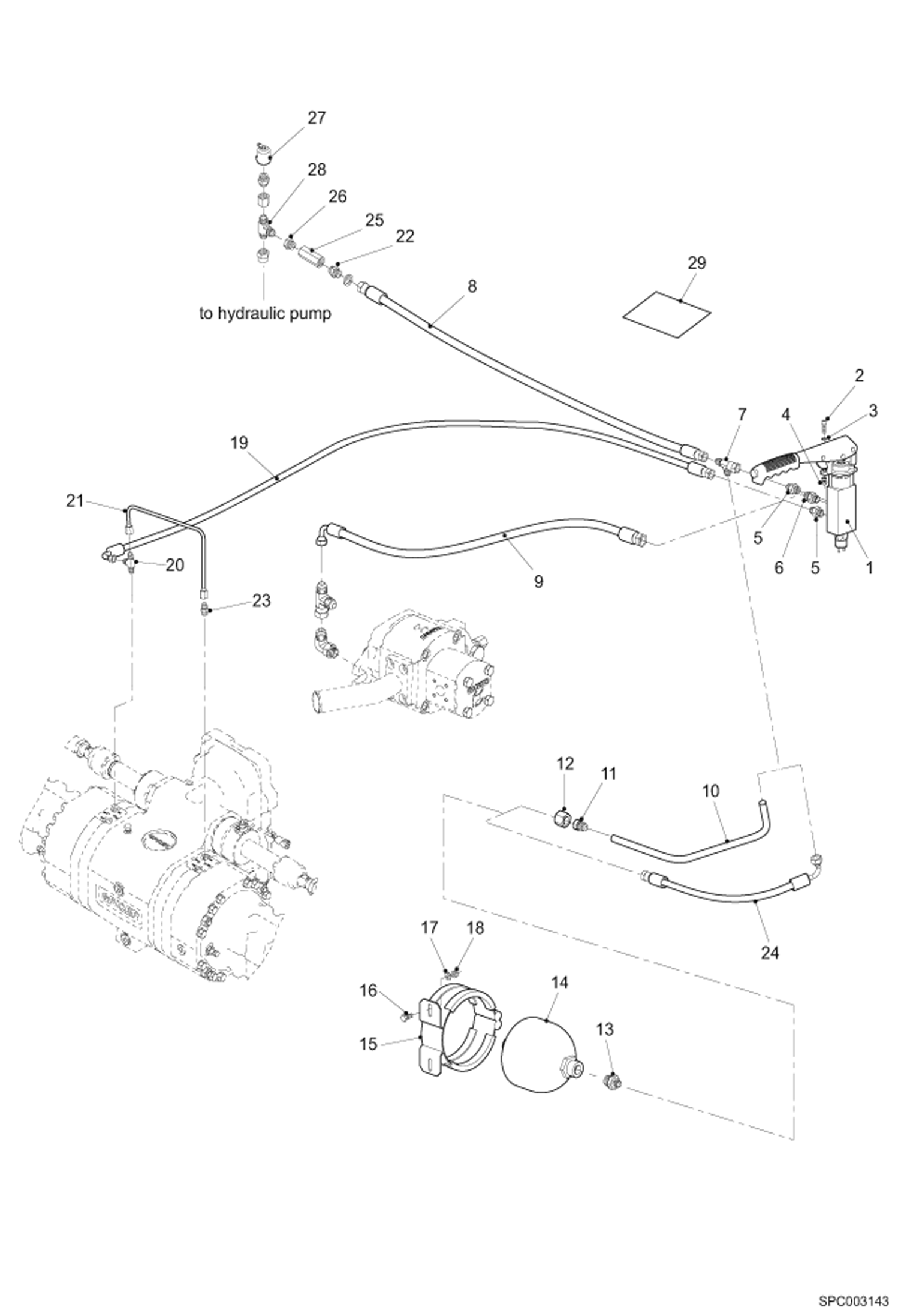
Запчасти Bobcat T40140 PARKING BRAKE HYDRAULIC INSTALLATION (ACCUMULATOR) HYDRAULIC SYSTEM

Схема запчастей Bobcat T40140 - PARKING BRAKE HYDRAULIC INSTALLATION (ACCUMULATOR) HYDRAULIC SYSTEM
FIT
1:1
100%

Артикул

Название

Примечание

Количество

1

6916931

HAND BRAKE CONTROL

2

10167.5

Screw

3

94574.1

Washer

4

100345-06W

NUT

5

90289.0

Union

6

96567.3

Union

7

100372-06G

UNION

8

96402.3

Hose

9

96776.0

Hose

10

90112.4

Hydraulic pipe

11

100375-06H

ADAPTER

12

014345-12C

NUT , ADAPTER

13

77912.4

Adapter

14

6911486

Accumulator

15

6911812

Collar

16

1CM820

BOLT Was 01596.6 - B

17

01697.2

Washer

18

01681.6

Nut Was 51851.4 - B

19

6915428

HOSE

20

100372-06G

UNION

21

6915410

Tube

22

022375-31Z

UNION

23

90289.0

Union Was 100375-17U - B

24

6909434

HOSE , TJ90 9/16 6,4 TJ 9/16 L 520

25

100433-41X

VALVE

26

022375-30X

UNION

27

82170.2

Adapter

28

76930.7

T-Union

29

89758.7

Decal

Выбрано товаров: 29