Качественные детали и логистика
Оригинальные и аналоговые запчасти с доставкой по России, Казахстану и Беларуси
©2022 PartSell ООО "Система" ИНН 2463123282 ОГРН 1212400004838
Центральный офис: г. Красноярск, Академика Киренского, д.87, пом.4
Телефон: 8 (800) 777-65-74 Email: zakaz@partsell.ru
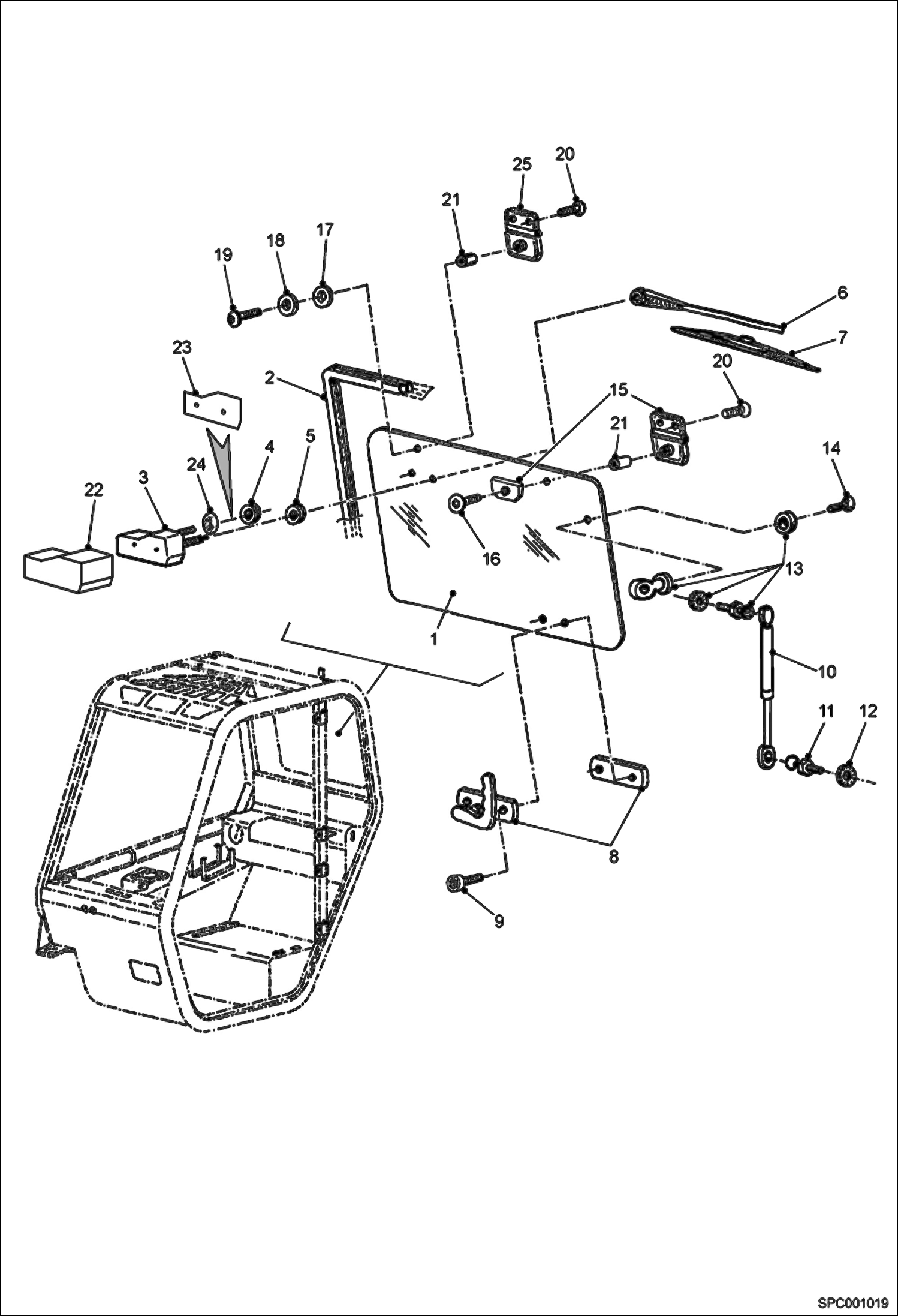
REAR WINDOW INSTALLATION
№
Артикул
Название
Примечание
Количество
1
6908787
WINDOW PANE,REAR
2
57796.5
Seal 2120 mm (83.46'') long - sold per foot
3
6915534
MOTOR, REAR WIPER Was 6909922
4
6910978
GROMMET
5
6910979
6
75900.1
Rear wiper arm
7
75896.1
Roof wiper blade
8
71162.2
Rear window handle
9
32397.2
Screw
10
75940.7
Cylinder
11
75935.7
Pivot Pin
12
000348-12P
WASHER
13
81284.2
14
37469.4
15
75903.5
Hinge
16
17
6910977
18
6910976
19
7214544
SCREW Was 95502.1 - A
20
21
6910975
SPACER
22
PROTECTOR NAP - only with old wiper motor 6909922 Was 6914317 - A
23
PLATE, SERIAL NO. NAP - only with old wiper motor 6909922 Was 6914318 - A
24
01681.6
Nut
25
Выбрано товаров: 0