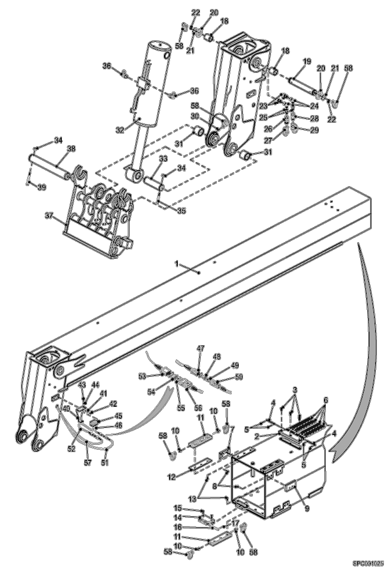
Запчасти Bobcat T40140 END BOOM ASSY (S/N 363211001 - 12000) MAIN FRAME

Схема запчастей Bobcat T40140 - END BOOM ASSY (S/N 363211001 - 12000) MAIN FRAME
FIT
1:1
100%

Артикул

Название

Примечание

Количество

1

6935339

ARM, TELESCOPIC W/Ref. 18 & 31 Was 95028.7 - A

2

7213337

HOLDER, CHAIN Was 95615.1 - A

3

7214544

SCREW Was 95502.1 - A

4

7215019

PIN Was 95614.4 - A

5

38632.6

Pin

6

7213329

CHAIN Was 95532.8 - A

7

98342.9

Shoe 13 mm

8

7214543

SCREW Was 98303.1 - A

9

98344.5

Shoe 11 mm

9

98343.7

Shoe 12 mm

9

98342.9

Shoe 13 mm

9

98341.1

Shoe 14 mm

9

98340.3

Shoe 15 mm

10

01775.6

Grease Nipple

11

95501.3

Shoe

12

98300.7

Shim 1 mm

12

98301.5

Shim 2 mm

12

98302.3

Shim 3 mm

13

7214544

SCREW Was 95502.1 - A

14

7213336

HOLDER, CHAIN Was 95558.3 - A

15

7214544

SCREW Was 95502.1 - A

16

7215019

PIN Was 95614.4 - A

17

38632.6

Pin

18

74863.2

Bush

19

95533.6

Spindle

20

009456-02D

WASHER

21

5JM50

CIRCLIPS Was 31825.3 - B

22

01775.6

Grease Nipple

23

010370-57L

ELBOW UNION

24

010370-90W

ELBOW PIECE

25

7225156

FITTING, HYD Was 022375-06W - A

26

7186826

COUPLER, QUICK FEMALE Was 95993.2 - A

27

7225161

CAP, COUPLER Was 96514.5 - A

28

7225159

COUPLER, HYD Was 95994.0 - A

29

7225160

CAP, COUPLER Was 96513.7 - A

30

01775.6

Grease Nipple

31

7213359

BEARING, SWING Was 77380.4 - A

32

6932908

CYLINDER Was 6914552 - B

33

7214127

PIN Was 80400.5 - A

34

100345-09A

NUT

35

7CM10100

SCREW HEX Was 65397.2 - A

36

65285.9

Elbow

37

6919187

CARRIAGE

38

7214176

PIN Was 77421.6 - A

39

82459.9

Screw

40

6908244

Support

41

01698.0

Washer

42

01603.0

Screw

43

01590.9

Screw

44

01696.4

Washer

45

6908258

Box

46

6908281

Cable

47

79551.8

Connector 6 poles

48

79552.6

Block

49

79550.0

Block

50

79549.2

Female connector 6 poles

51

6917978

CABLE, 7 WIRE Was 6908287 - B

52

6908280

Cable

53

79555.9

Male connector 12 poles

54

79556.7

Block

55

79554.2

Block

56

79553.4

Female connector 12 poles

57

6908286

Cable

58

98581.2

Cap

Выбрано товаров: 64