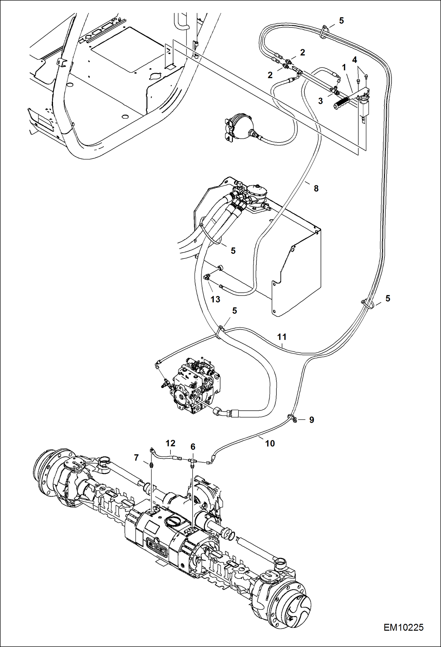
Запчасти Bobcat T40140 HYDRAULIC CIRCUITRY (Parking Brake) HYDRAULIC SYSTEM

Схема запчастей Bobcat T40140 - HYDRAULIC CIRCUITRY (Parking Brake) HYDRAULIC SYSTEM
FIT
1:1
100%

Артикул

Название

Примечание

Количество

1

7217892

LEVER

2

15KB0606

FITTING, HYD CONNECTOR

2

79K6

O RING 10

3

21KB0806

FITTING, HYD TEE

3

79K6

O RING 10

4

29CM620

SCREW

5

6624289

STRAP, TIE

6

7173429

FITTING, HYD TEE

7

7174103

FITTING

8

7219373

HOSE, HYD

9

7221316

TIE, DUAL STRAPS

10

7221377

HOSE, HYD

11

7221379

HOSE, HYD

12

7222985

HOSE, HYD

Выбрано товаров: 14