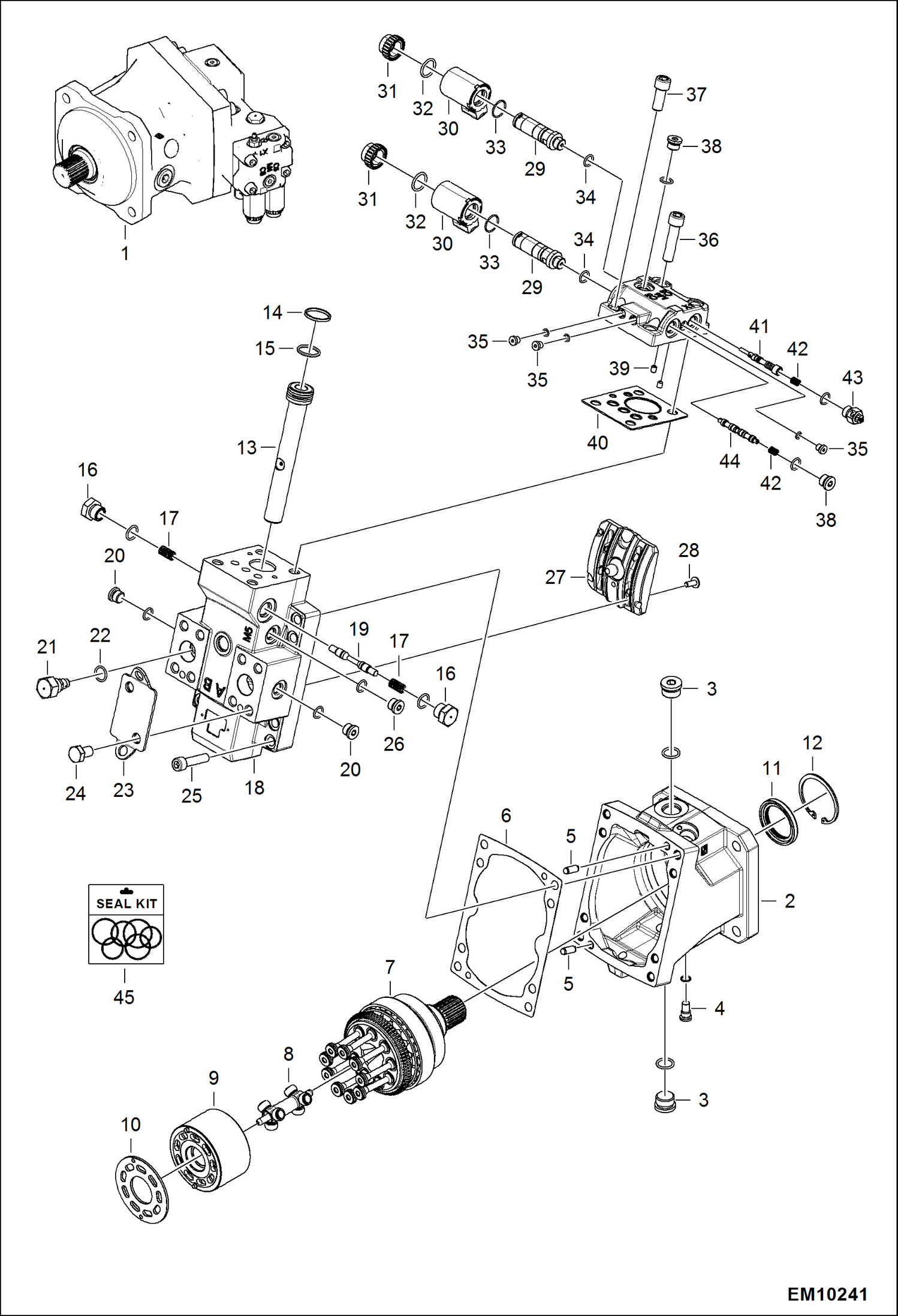
Запчасти Bobcat T40140 HYDROSTATIC MOTOR (30km/h) (Assembly) HYDROSTATIC SYSTEM

Схема запчастей Bobcat T40140 - HYDROSTATIC MOTOR (30km/h) (Assembly) HYDROSTATIC SYSTEM
FIT
1:1
100%

Артикул

Название

Примечание

Количество

1

7216230

MOTOR, HYDROSTATIC Ref. 2-44

2

HOUSING NLA - Order Ref. 1

3

PLUG NLA - Order Ref. 1

3

7024842

O-RING

4

PLUG NLA - Order Ref. 1

4

7031194

O-RING

5

PIN NLA - Order Ref. 1

6

7031193

GASKET

7

7031192

SHAFT

8

7031191

SERVICE SYNCHRON-JOINT

9

7031190

KIT, CYLINDER BLOCK

10

7013318

BEARING PLATE

11

7011038

SEAL

12

SIRCLIP

13

7031221

PISTON, SERVO W/Ref. 14-15

14

7031197

RING, GLYD

15

7031198

O-RING

16

7031199

PLUG

16

7031200

O-RING

17

7031201

SPRING

18

7031205

CAP, END

19

7031206

SPOOL

20

6921561

PLUG

20

7024841

O-RING

21

7031202

VALVE W/Ref. 22

22

7031200

O-RING

23

7031203

COVER W/Ref. 24

24

SCREW NLA - Order Ref. 1

25

7031204

SCREW

26

6921561

PLUG

26

7024841

O-RING

27

7031207

SEGMENT, VALVE

28

7031208

SOCKET

29

7031209

SOLENOID W/Ref. 30-34

30

7031218

KIT, COIL W/Ref. 31-33

31

CAP NLA - Order Ref. 30

32

RING NLA - Order Ref. 30

33

SEAL NLA - Order Ref. 30

34

7024841

O-RING

35

7022520

PLUG

35

6664963

O-RING Was 7024843 - A

36

7031212

SCREW

37

7031211

SCREW

38

6921561

PLUG

38

7024841

O-RING

39

7031216

PLUG, ORIFICE

40

7031247

SEAL

41

7031213

SPOOL, VALVE

42

7031214

SPRING, HELICAL

43

7013164

ADJUSTER

43

7024841

O-RING

44

7031215

SPOOL, VALVE

45

7031351

KIT, SEAL

Выбрано товаров: 53