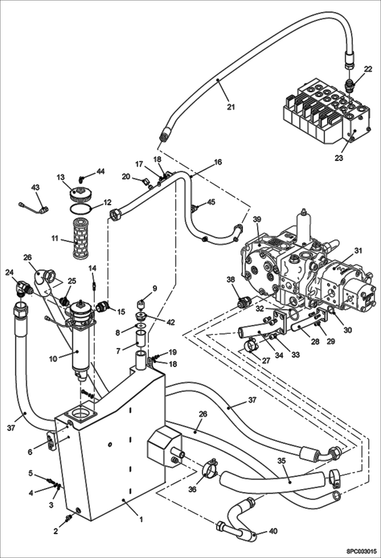
Запчасти Bobcat T40170 HYDRAULIC TANK INSTALLATION HYDRAULIC SYSTEM

Схема запчастей Bobcat T40170 - HYDRAULIC TANK INSTALLATION HYDRAULIC SYSTEM
FIT
1:1
100%

Артикул

Название

Примечание

Количество

1

6913526

HYDRAULIC TANK

2

78743.2

Drain plug

3

38025.3

Washer

4

01718.6

Washer

5

4CM825

BOLT Was 01597.4 - B

6

54194.6

Gauge

7

6913570

STRAINER

8

6913569

SEAL

9

6917778

BREATHER Was 37148.4

10

6911140

FILTER W/Ref. 11-13 & 43-44

11

6913059

FILTER, OIL HYD

12

6912548

FILTER , SEAL KIT

13

6912572

COVER ASMBLY

14

01639.4

Screw

15

6909739

UNION 1.7/8JIC 1.1/4BSP

16

6926969

TUBELINE Was 6923433 - A

17

4CM825

BOLT Was 01597.4 - B

18

000350-02V

WASHER

19

01681.6

Nut Was 51851.4 - B

20

011374-62W

PLUG 7/8 JIC FEMALE

21

6912000

Hose

22

100375-40U

UNION

23

6918313

Hydraulic Control Valve See Illustration HYDRAULIC CONTROL VALVE/ SPC003032 Was 95265.5

24

69274.9

Elbow union

25

85170.9

Union

26

6910602

HOSE TJ1.5/16 25.4 L1980 P185B

27

6919333

COLLAR Was 89522.7

28

6908091

FLANGE D20 T25

29

10167.5

Screw

30

93049.5

O-ring

31

6909447

PUMP, HYD ASSY See Illustration HYDRAULIC PUMP ASSY/ SPC003029

32

92637.8

O-ring

33

10662.5

Screw

34

6911767

FLANGE SAE 1''

35

6910573

HOSE D38 L400 SAE100R4

36

89523.5

Clamp

37

6913204

HOSE

38

78705.1

Adapter

39

6913565

HYDROSTATIC PUMP

40

6910599

HOSE TJ 1.1/16 19 TJ90 1.1/16 L470

42

6917779

PLUG Was 6913567

43

6912549

FILTER, PLUGGING INDICATOR

44

6910741

PLUG ASMBLY

45

008372-14Q

ELBOW

Выбрано товаров: 44