Качественные детали и логистика
Оригинальные и аналоговые запчасти с доставкой по России, Казахстану и Беларуси
©2022 PartSell ООО "Система" ИНН 2463123282 ОГРН 1212400004838
Центральный офис: г. Красноярск, Академика Киренского, д.87, пом.4
Телефон: 8 (800) 777-65-74 Email: zakaz@partsell.ru
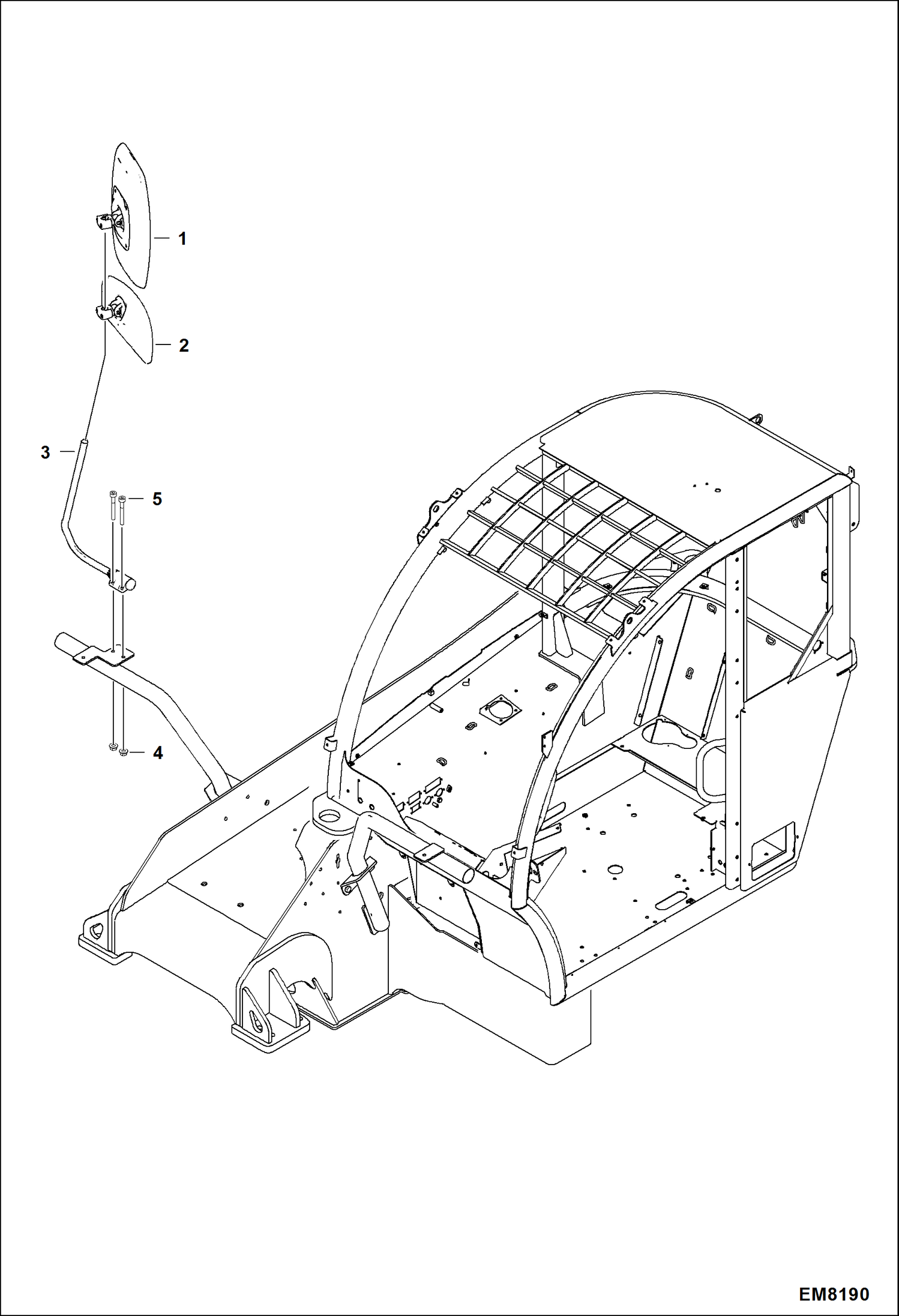
DOUBLE MIRROR (RH)
№
Артикул
Название
Примечание
Количество
1
7226486
MIRROR Was 7178861 - A
2
7190700
MIRROR
3
7202200
SUPPORT, MIRROR
4
51DM8
NUT
5
6GM825
SCREW
Выбрано товаров: 0