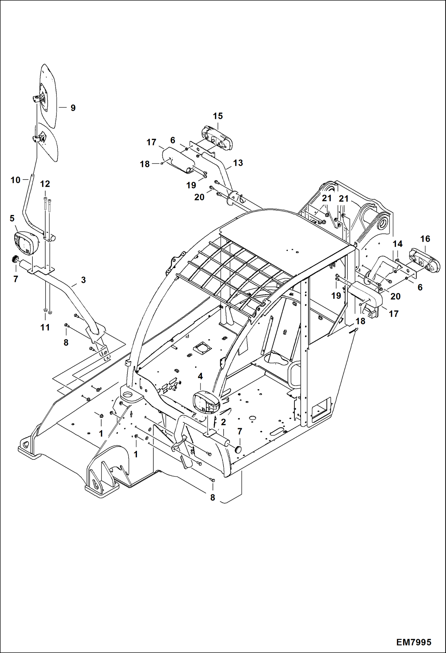
Запчасти Bobcat TL360 ROAD LIGHTS & RH MIRROR MAIN FRAME

Схема запчастей Bobcat TL360 - ROAD LIGHTS & RH MIRROR MAIN FRAME
FIT
1:1
100%

Артикул

Название

Примечание

Количество

1

51DM12

NUT

2

7194909

SUPPORT, LH

3

7194908

SUPPORT, RH

4

7164373

LIGHT, LEFT

4

7022666

BULB, H4 60/55W 12V

4

7022668

BULB, PY21W 12V

4

7022667

BULB, W5W 12V

5

7164374

LIGHT, RIGHT

5

7022666

BULB, H4 60/55W 12V

5

7022668

BULB, PY21W 12V

5

7022667

BULB, W5W 12V

6

51DM8

NUT

7

7181527

PLUG

8

29CM1230

BOLT

9

7226486

MIRROR Was 7178861 - A

10

7202200

SUPPORT, MIRROR

11

51DM8

NUT

12

6GM825

SCREW

13

7180910

HOLDER, RH

14

7180911

HOLDER, LH

15

7164110

LIGHT, REAR RH

15

7022664

BULB, P21W 12V

15

7022665

BULB, R10W 12V

15

7027476

LENS, LIGHT

15

7028787

HARNESS

16

7164111

LIGHT, REAR LH

16

7022664

BULB, P21W 12V

16

7022665

BULB, R10W 12V

16

7027476

LENS, LIGHT

16

7028786

HARNESS

17

7231328

COVER, REAR LIGHT Was 7183219 - A

18

7183220

NUT

19

27CM610

SCREW

20

29CM1235

BOLT

21

51DM12

NUT

Выбрано товаров: 35