Качественные детали и логистика
Оригинальные и аналоговые запчасти с доставкой по России, Казахстану и Беларуси
©2022 PartSell ООО "Система" ИНН 2463123282 ОГРН 1212400004838
Центральный офис: г. Красноярск, Академика Киренского, д.87, пом.4
Телефон: 8 (800) 777-65-74 Email: zakaz@partsell.ru
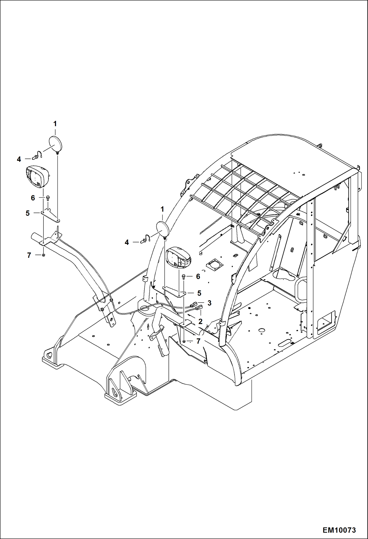
BLUE WORK LIGHT
№
Артикул
Название
Примечание
Количество
1
7177371
LIGHT, BLUE
2
7178982
HARNESS, LEFT
3
7179236
HARNESS, RIGHT
4
6960571
BULB Was 7200932 - A
5
7232730
BRACKET
6
29CM1025
BOLT
7
43DM10
NUT
Выбрано товаров: 0