Качественные детали и логистика
Оригинальные и аналоговые запчасти с доставкой по России, Казахстану и Беларуси
©2022 PartSell ООО "Система" ИНН 2463123282 ОГРН 1212400004838
Центральный офис: г. Красноярск, Академика Киренского, д.87, пом.4
Телефон: 8 (800) 777-65-74 Email: zakaz@partsell.ru
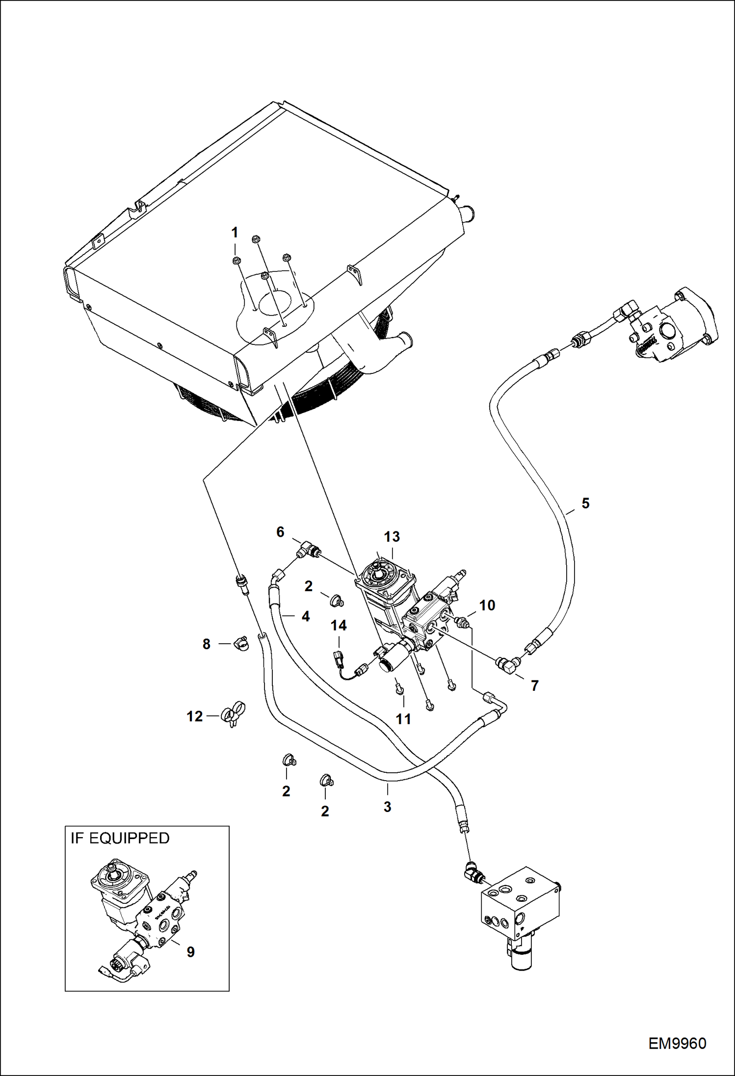
HYDRAULIC CIRCUITRY (W/O Trailer Brake & W/Fan Motor Inverter & Variable Speed)
№
Артикул
Название
Примечание
Количество
1
43DM8
NUT
2
6624289
STRAP, TIE
3
7159984
HOSE, HYD
4
7196562
HOSE, HYD Was 7159985 - A
5
7202685
6
17KB0604
ELBOW UNION
79K4
O RING 10
7
17KB0808
FITTING, HYD ELBOW 90 degrees
79K8
8
42HL88
CLAMP Was 42HL106 - A
9
7231893
MOTOR, FAN INVERTER See Illustration FAN MOTOR INVERTER/ EM9961
10
15KB0808
FITTING, HYD CONNECTOR
11
29CM830
CAPSCREW
12
7221316
TIE, DUAL STRAPS
Выбрано товаров: 0