Запчасти Bobcat TL470HF CONTROL VALVE (Inlet Section) HYDRAULIC SYSTEM

Схема запчастей Bobcat TL470HF - CONTROL VALVE (Inlet Section) HYDRAULIC SYSTEM
FIT
1:1
100%

Артикул

Название

Примечание

Количество

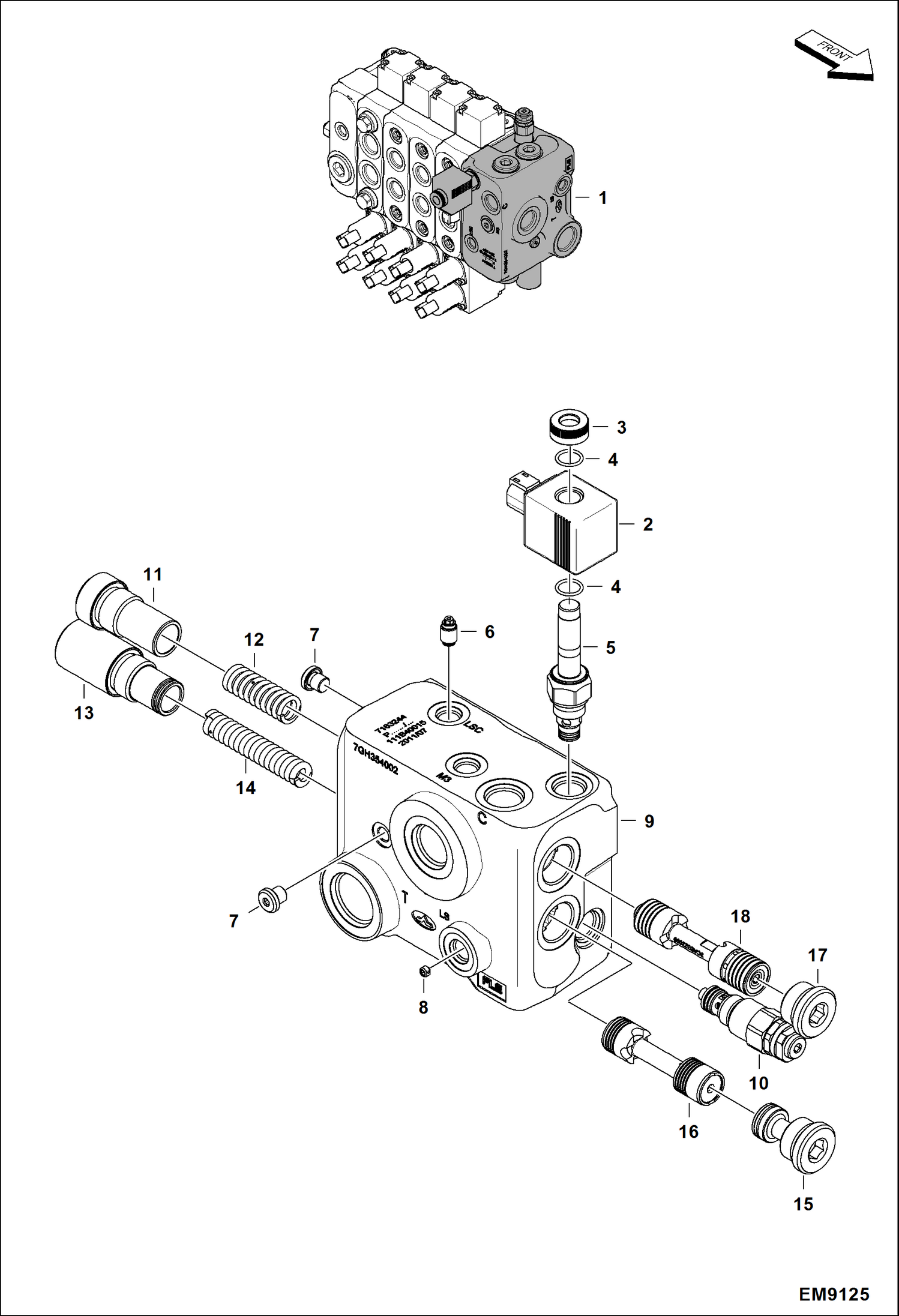
1

7025106

SECTION, VALVE inlet - Ref. 2-18 Was 7024010 - A

2

7022368

COIL

3

7023734

RING, SCREWED

4

7015570

ORING

5

SENSOR NSS

6

KIT, VALVE NLA - Order Ref. 1

7

6685333

PLUG

8

7023735

SCREW

9

COVER NLA - Order Ref. 1

10

7023737

VALVE

11

PLUG, ASSY NLA - Order Ref. 1 - W/Ref. 12 & 17-18

12

SPRING NLA - Order Ref. 11

13

PLUG, ASSY NLA - Order Ref. 1 - W/Ref. 14-16

14

SPRING NLA - Order Ref. 13

15

PLUG NLA - Order Ref. 13

16

SPOOL NLA - Order Ref. 13

17

PLUG NLA - Order Ref. 11

18

SPOOL NLA - Order Ref. 11

Выбрано товаров: 18