Запчасти Bobcat TR35160 ENGINE COMPONENTS (Fuel System) POWER UNIT

Схема запчастей Bobcat TR35160 - ENGINE COMPONENTS (Fuel System) POWER UNIT
FIT
1:1
100%

Артикул

Название

Примечание

Количество

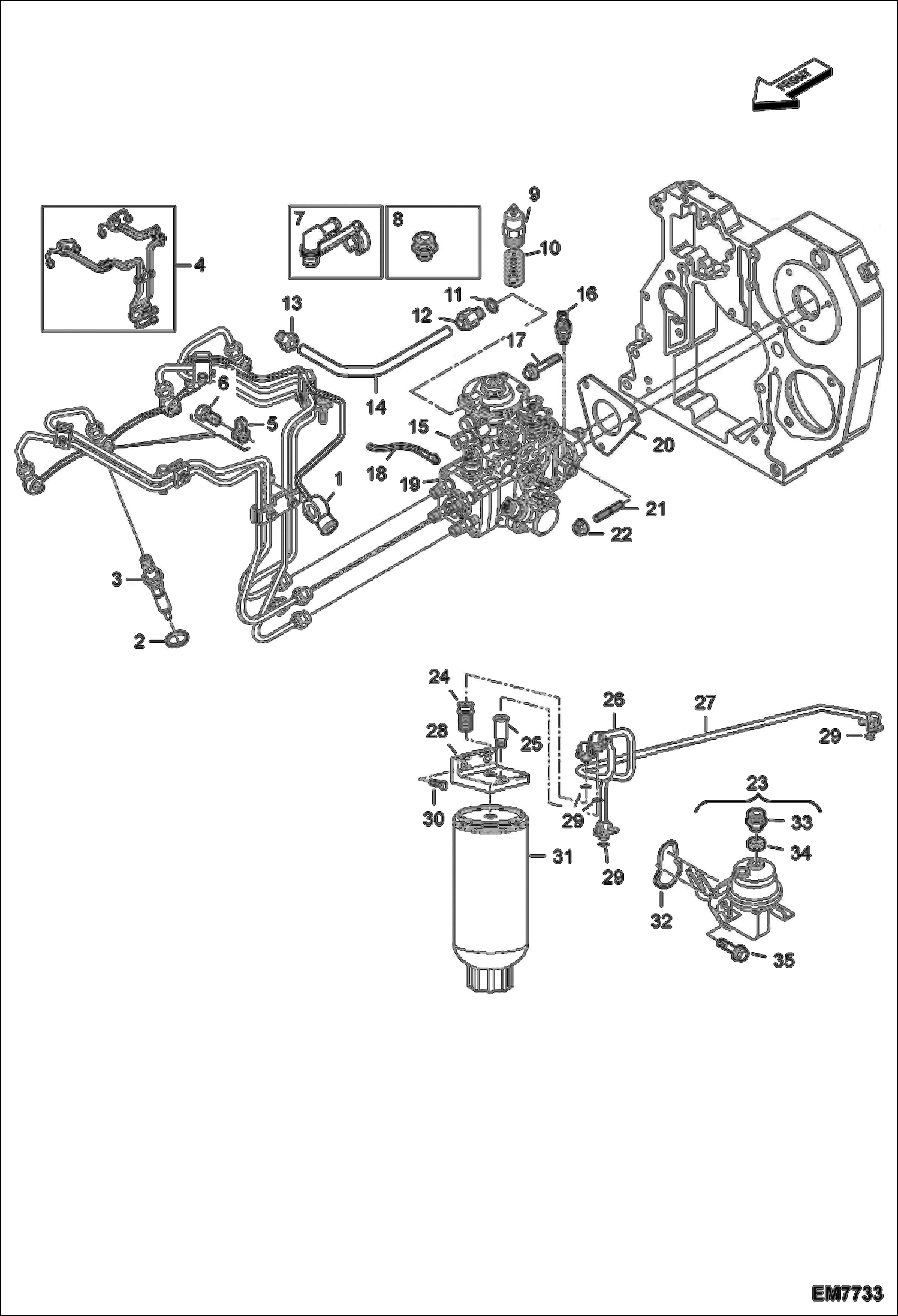
1

7019435

TUBELINE, FUEL

2

7019360

GASKET

3

7019410

NOZZLE ASSY

4

7019432

TUBELINE SET, INJECTOR

5

7022923

GASKET Was 7019361 - C

6

7019357

SCREW

7

7019460

FITTING

8

7019341

FITTING

9

7020979

VALVE, SOLENOID Was 7019465 - C

10

7019456

SPRING

11

7019337

O-RING

12

7019345

FITTING

13

7019377

FITTING

14

7019433

TUBELINE

15

7019316

NUT

16

7020977

SENSOR Was 7019426 - C

17

SCREW In coding phase

18

7019441

CABLE

19

7020884

INJECTION PUMP Was 7019440 - C

20

7022928

GASKET Was 7019335 - C

21

7019448

STUD

22

7019319

NUT

23

7019326

PUMP, FUEL LIFT W/Ref. 33-35

24

7019328

FITTING

25

7019329

FITTING

26

7019331

TUBELINE

27

7019332

TUBELINE

28

7019330

SUPPORT

29

7019346

O-RING

30

7019308

SCREW

31

7019324

CARTRIDGE, FUEL FILTER

32

7019325

O-RING

33

7019341

FITTING

34

7019349

SEAL, RING

35

7020888

SCREW Was 7019390 - C

Выбрано товаров: 35