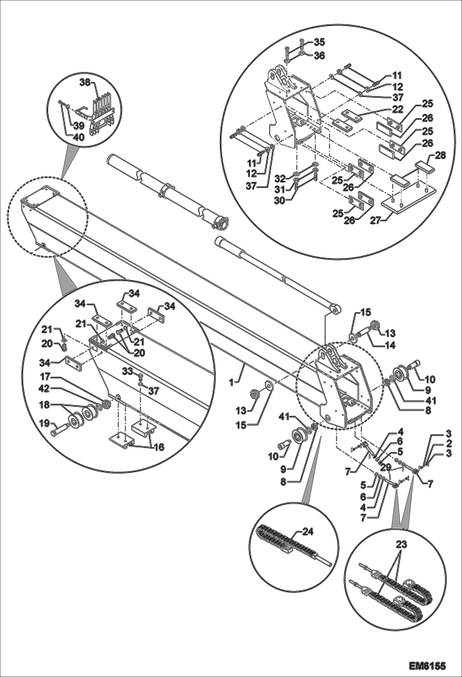
Запчасти Bobcat TR40250 1ST INTERMEDIATE BOOM MAIN FRAME

Схема запчастей Bobcat TR40250 - 1ST INTERMEDIATE BOOM MAIN FRAME
FIT
1:1
100%

Артикул

Название

Примечание

Количество

1

7014586

BOOM

2

7018061

WASHER

3

7021565

PIN, LOCK

4

7020206

WASHER

5

7021449

NUT

6

7020582

NUT

7

7021563

TENSIONER, CHAIN

8

7014566

NUT, CAGED

9

7014943

PULLEY

10

7014902

PIN

11

7020579

PIN, DOWEL

12

7019729

NUT

13

7014567

NUT, CAGED

14

7014901

PIN

15

7015194

SPACER

16

7020587

PAD, WEAR

17

7014565

NUT, CAGED

18

7014942

PULLEY

19

7014898

PIN

20

7019683

SCREW

21

7020214

WASHER

22

7020055

PAD, WEAR

23

7014963

CHAIN

24

7014962

CHAIN

25

7020575

SPACER

26

7020577

PAD, WEAR

27

7020584

PLATE

28

7020585

PAD, WEAR

29

7021572

PIN, COTTER

30

7020581

PIN, DOWEL

31

7020582

NUT

32

7020583

WASHER

33

7020586

SCREW

34

7020055

PAD, WEAR

35

7019682

SCREW

36

7020214

WASHER

37

7020580

WASHER

38

7014604

GUIDE

39

7019741

WASHER

40

7019675

SCREW

41

7020204

WASHER

42

7020205

WASHER

Выбрано товаров: 42