Запчасти Bobcat TR45190 OPERATOR CAB (Exterior) MAIN FRAME

Схема запчастей Bobcat TR45190 - OPERATOR CAB (Exterior) MAIN FRAME
FIT
1:1
100%

Артикул

Название

Примечание

Количество

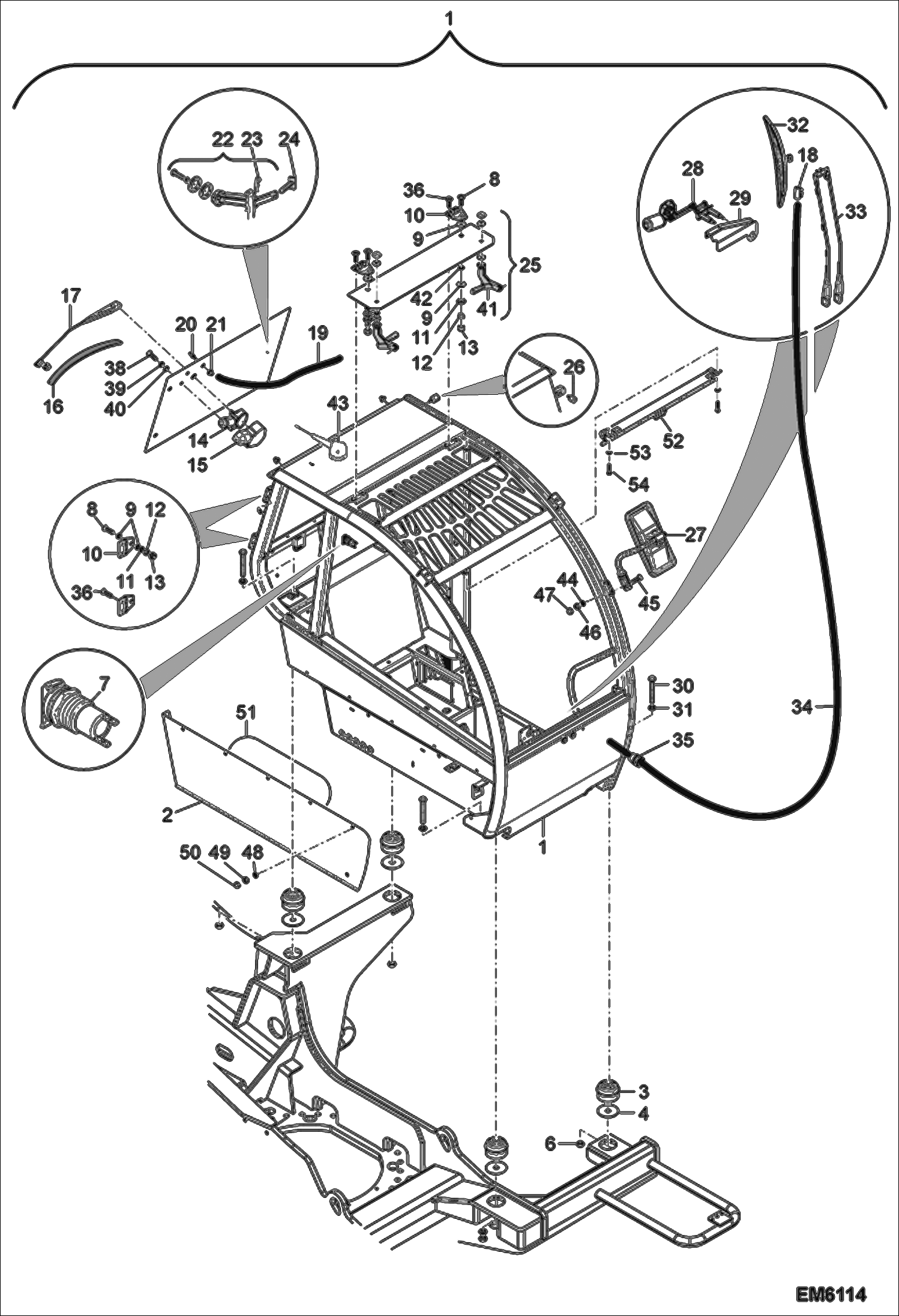
1

7025203

CAB, COMPLETE Was 7013833 - A

2

7013829

HOUSING

3

7014914

BLOCK, SILENT

4

7020176

WASHER Was 7020207 - B

6

7014560

SCREW Was 7014562 - B

7

7014637

OUTLET 12V

8

7018198

SCREW Was 7013875 - B

9

7020208

WASHER, RUBBER

10

7013751

HINGE

11

7018162

WASHER Was 7013904 - B

12

NUT, SELF LOCKING NLA Was 7014561 - A

13

7014909

NUT, COVER

14

7013757

MOTOR, WINDSCREEN

15

7013787

HOUSING

16

7013761

WIPER

17

7013762

ARM, WIPER

18

CLAMP NLA - Order Ref. 34

19

7013969

TUBE

20

7013766

NOZZLE

21

7013799

NUT, COVER

22

7013741

HANDLE

23

7014989

PIN, BLOCKING

24

7013968

BRACKET, BLOCKING

25

7013742

HANDLE ASSY W/Ref. 41

26

7013800

GUARD

27

7013756

MIRROR, REAR VIEW

28

7013758

MOTOR, WINDSCREEN WIPER

29

COVER NLA

30

7014540

SCREW

31

7020206

WASHER

32

7013760

WIPER

33

7013759

ARM, WIPER

34

7013969

TUBE W/Ref. 18

35

7013765

GROMMET, RUBBER

36

7019725

SCREW Was 7014556 - B

38

7013886

SCREW

39

7018133

WASHER Was 7013903 - B

40

7013916

WASHER

41

7013743

HANDLE

42

7013798

SPACER

43

7013780

ANTENNA

44

7019725

SCREW Was 7013878 - B

45

7018061

WASHER Was 7018061 - B

46

NUT, SELF LOCKING NLA Was 7014561 - A

47

7014909

NUT, COVER Was 7013804 - B

48

7018133

WASHER Was 7013903 - B

49

7018059

NUT Was 7018059 - B

50

7013803

NUT, COVER

51

7013858

FOAM

52

7023837

SUN SCREEN

53

7018194

WASHER

54

7023868

BOLT

Выбрано товаров: 52