Качественные детали и логистика
Оригинальные и аналоговые запчасти с доставкой по России, Казахстану и Беларуси
©2022 PartSell ООО "Система" ИНН 2463123282 ОГРН 1212400004838
Центральный офис: г. Красноярск, Академика Киренского, д.87, пом.4
Телефон: 8 (800) 777-65-74 Email: zakaz@partsell.ru
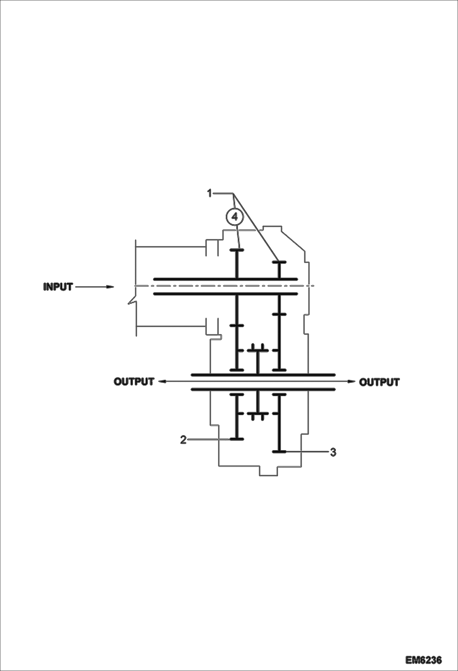
GEARS
№
Артикул
Название
Примечание
Количество
1
7014502
SHAFT, INPUT
2
7014488
GEAR
3
7022290
GEAR Was 7014487 - A
4
GEAR NLA - Order Ref. 1
Выбрано товаров: 0