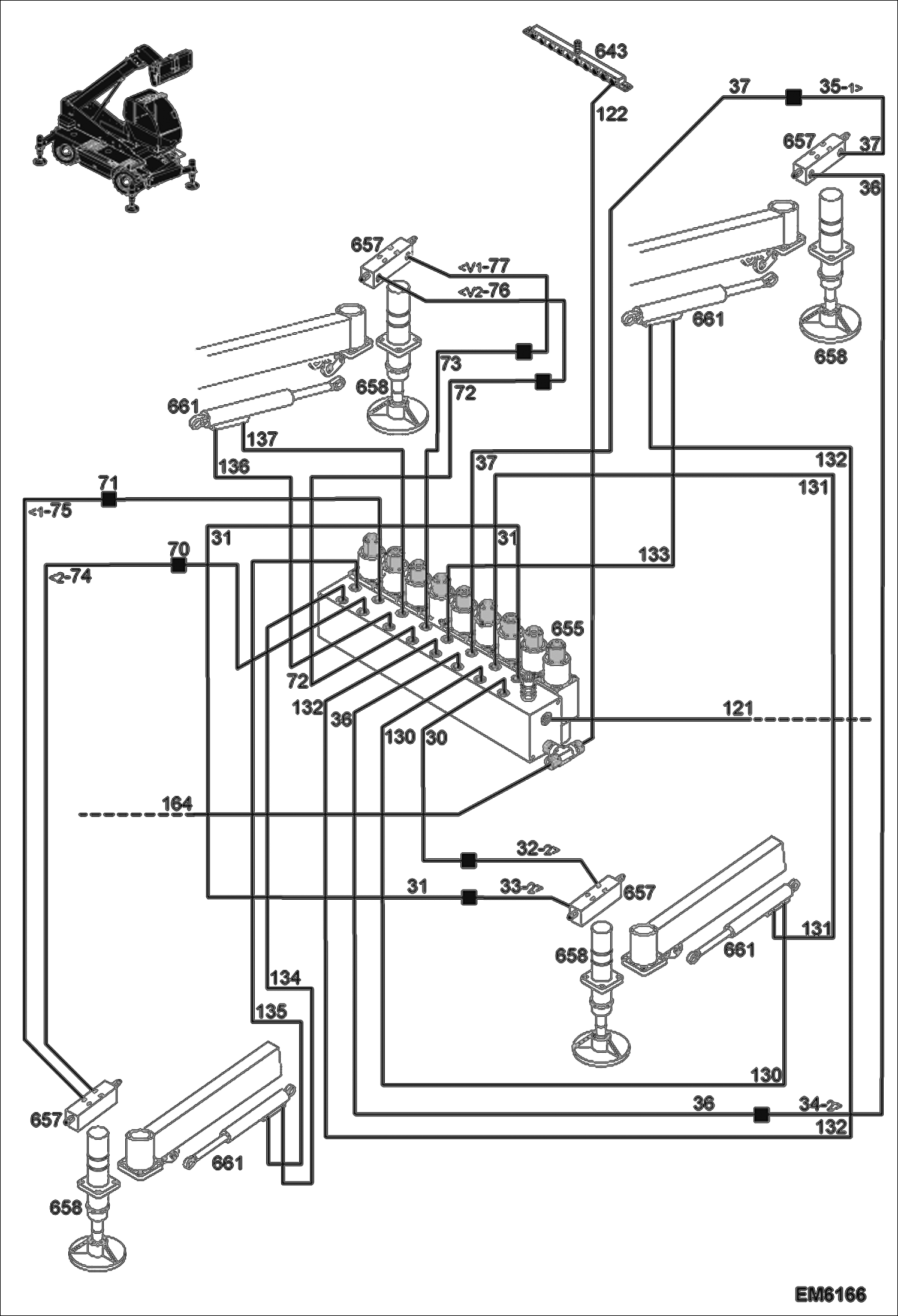
Запчасти Bobcat TR45190 HYDRAULIC CIRCUITRY (Stabilizers) HYDRAULIC SYSTEM

Схема запчастей Bobcat TR45190 - HYDRAULIC CIRCUITRY (Stabilizers) HYDRAULIC SYSTEM
FIT
1:1
100%

Артикул

Название

Примечание

Количество

30

7015224

HOSE ASSY

31

7015224

HOSE ASSY

32

7015231

HOSE ASSY

33

7015231

HOSE ASSY

34

7015231

HOSE ASSY

35

7015231

HOSE ASSY

36

7015225

HOSE ASSY

37

7015225

HOSE ASSY

70

7015226

HOSE ASSY

71

7015226

HOSE ASSY

72

7015226

HOSE ASSY

73

7015226

HOSE ASSY

74

7015231

HOSE ASSY

75

7015231

HOSE ASSY

76

7015231

HOSE ASSY

77

7015231

HOSE ASSY

121

7021620

HOSE, HYD

122

7021601

HOSE, HYD Was 7015257 - A

130

7015228

HOSE ASSY

131

7015228

HOSE ASSY

132

7015229

HOSE ASSY

133

7015229

HOSE ASSY

134

7015230

HOSE ASSY

135

7015230

HOSE ASSY

136

7015230

HOSE ASSY

137

7015230

HOSE ASSY

164

7021626

HOSE, HYD

643

7014824

MANIFOLD See Illustration MANIFOLD INSTALLATION/ EM6215

655

7014735

DISTRIBUTOR, STABILIZER See Illustration STABILIZER/LEVELLING VALVE/ EM6198

657

7014703

VALVE, STABILIZER

658

7014746

CYLINDER, STABILIZER See Illustration STABILZER CYLINDER/ EM6179

661

7014740

CYLINDER See Illustration INTERIOR EXTENSION CYLINDER/ EM6267

Выбрано товаров: 32