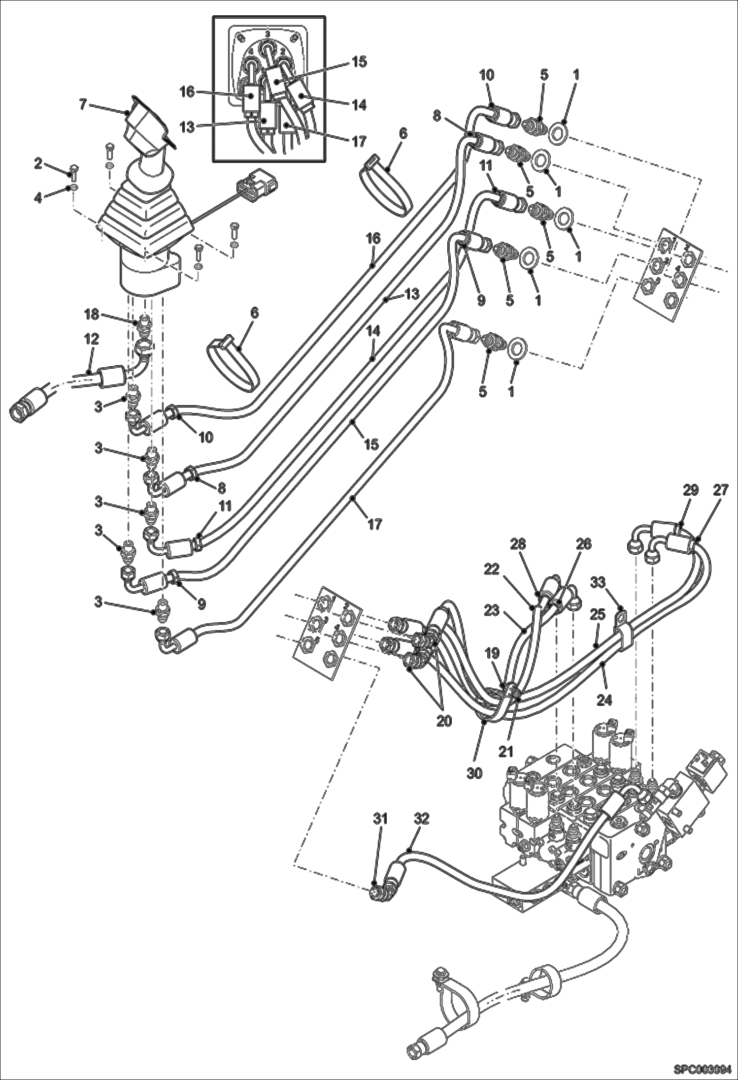
Запчасти Bobcat V417 JOYSTICK INSTALLATION (S/N AC1C11001 - 11238, AC1D11001 - 11999) HYDRAULIC SYSTEM

Схема запчастей Bobcat V417 - JOYSTICK INSTALLATION (S/N AC1C11001 - 11238, AC1D11001 - 11999) HYDRAULIC SYSTEM
FIT
1:1
100%

Артикул

Название

Примечание

Количество

1

000350-06A

WASHER

2

01591-7

SCREW

3

022375-31Z

UNION

4

94574-1

WASHER

5

100375-57N

UNION

6

6678669

STRAP

7

6915268

MANIPULATOR

8

IDENTIFICATION, YELLOW NLA Was 6917751 - A

9

IDENTIFICATION, BLUE NLA Was 6917752 - A

10

IDENTIFICATION, GREEN NLA Was 6917753 - A

11

IDENTIFICATION, WHITE NLA Was 6917754 - A

12

6918133

HOSE

13

6918660

HOSE

14

6918660

HOSE

15

6918660

HOSE

16

6918660

HOSE

17

6918660

HOSE

18

6921610

UNION

19

1CM820

BOLT Was 01596-6 - B

20

007371-46V

ELBOW UNION

21

44334-1

NUT

22

6913655

HOSE

23

6913655

HOSE

24

6916995

HOSE

25

6916995

HOSE

26

IDENTIFICATION, YELLOW NLA Was 6917751 - A

27

IDENTIFICATION, BLUE NLA Was 6917752 - A

28

IDENTIFICATION, GREEN NLA Was 6917753 - A

29

IDENTIFICATION, WHITE NLA Was 6917754 - A

30

30H82

CLAMP INSULATED

31

007371-46V

ELBOW UNION

32

6911143

HOSE

33

31H31

CLIP

Выбрано товаров: 0