Запчасти Bobcat V417 ENGINE BASKET & COVER KIT (S/N AC1C12004 & Above, AC1D12001 & Above) ACCESSORIES & OPTIONS

Схема запчастей Bobcat V417 - ENGINE BASKET & COVER KIT (S/N AC1C12004 & Above, AC1D12001 & Above) ACCESSORIES & OPTIONS
FIT
1:1
100%

Артикул

Название

Примечание

Количество

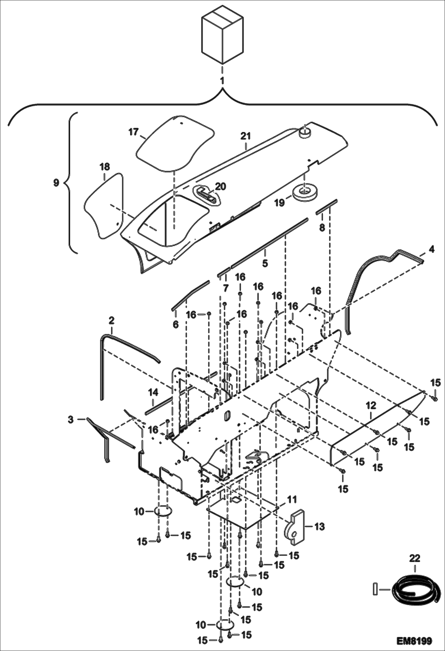
1

6927418

ENGINE BASKET & COVER KIT W/Ref. 2-21

2

TRIM, EDGE NAP - Order 2 m of 85987.6 Was 6920813 - D

3

TRIM, EDGE NAP - Order 2 m of 85987.6 Was 6920813 - D

4

TRIM, EDGE NAP - Order 2 m of 85987.6 Was 6920813 - D

5

SEAL NAP - 795 mm (31.30'') long - Order Ref. 22

6

SEAL NAP - 395 mm (15.55'') long - Order Ref. 22

7

SEAL NAP - 120 mm (4.72'') long - Order Ref. 22

8

SEAL NAP - 210 mm (8.27'') long - Order Ref. 22

9

6927553

ENGINE COVER ASSY W/Ref. 17-21 Was 6927164 - A

10

6927177

PLATE, COVER

11

6927341

PLATE

12

6927342

PLATE

13

6927405

SPONGE PLATE

14

SEAL NAP - 740 mm (29.14'') long - Order Ref. 22

15

29CM820

SCREW

16

01681-6

NUT Was 51851-4 - B

17

COVER, SCREEN NAP - Order Ref. 9

18

COVER, SCREEN NAP - Order Ref. 9

19

6934898

FOAM, SEAL Was 6920834 - B,D

20

GUIDE NLA

21

6927071

COVER, ENGINE

22

36912-4

SEAL bulk - sold per foot

Выбрано товаров: 22