Запчасти Bobcat V518 FUEL FEEDING 367013509 AND BELOW 367312505 AND BELOW POWER UNIT

Схема запчастей Bobcat V518 - FUEL FEEDING 367013509 AND BELOW 367312505 AND BELOW POWER UNIT
FIT
1:1
100%

Артикул

Название

Примечание

Количество

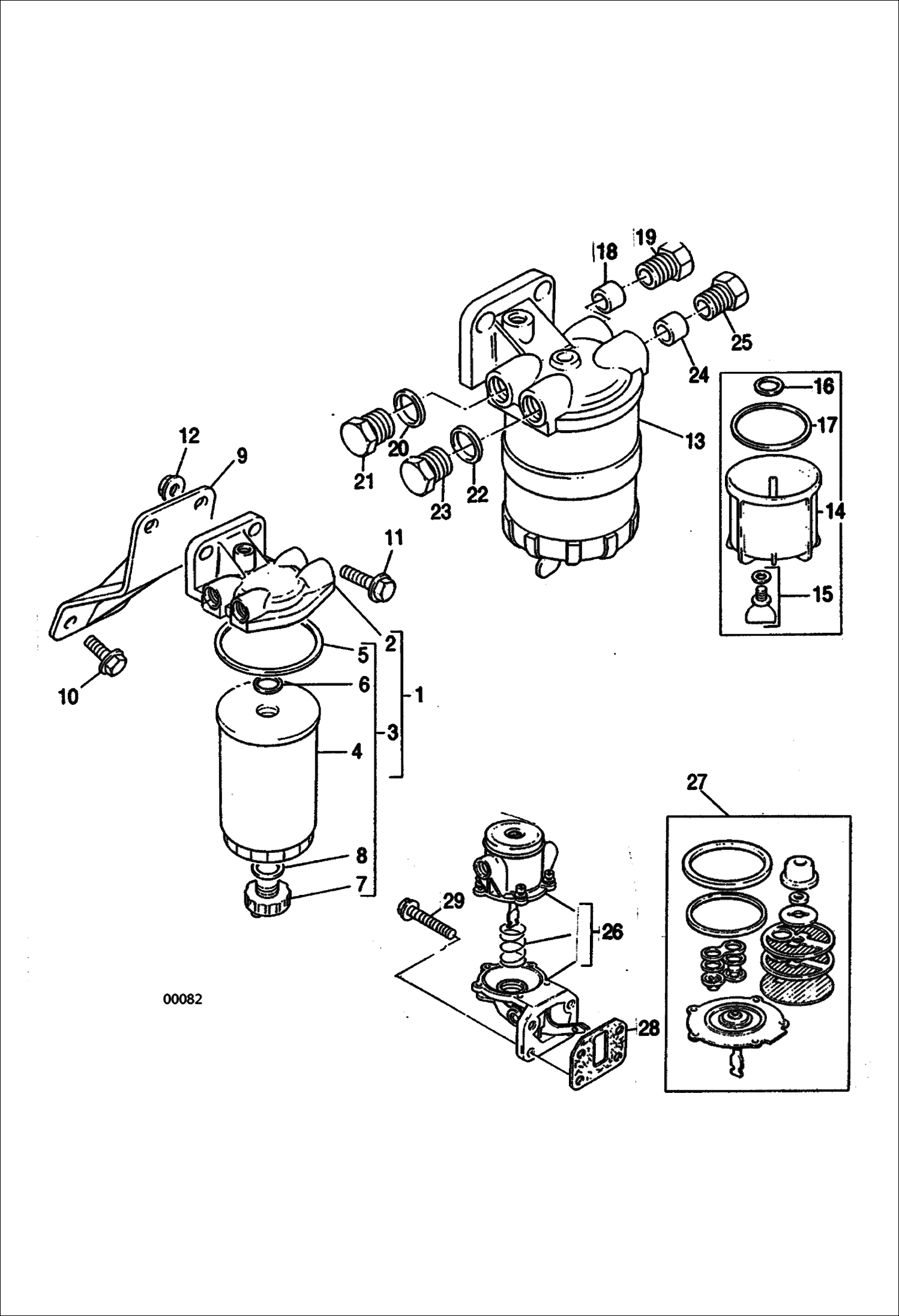
1

71491-5

FILTER Ref. 2 & 3

2

FILTER HEAD Order Ref. 1

3

64978-0

FUEL FILTER Ref. 4-8

4

ELEMENT Order Ref. 3

5

SEAL Order Ref. 3

6

SEAL Order Ref. 3

7

71492-3

PLUG

8

71493-1

WASHER

9

71494-9

SUPPORT

10

71348-7

SCREW

11

71286-9

SCREW

12

71495-6

NUT

13

64903-8

FUEL FILTER

14

54172-2

FILTER Was 71255-4 - A

15

71254-7

PLUG

16

42766-6

GASKET Was 71257-0 - A

17

71256-2

SEAL

18

61929-6

BUSH Was 64806-3 - A

19

64807-1

NUT

20

48574-8

COPPER SEAL

21

48573-0

PLUG

22

48574-8

COPPER SEAL

23

48573-0

PLUG

24

61929-6

BUSH Was 64806-3 - A

25

64807-1

NUT

26

66347-6

PUMP

27

26028-1

SEAL Was 55118-4 - A

28

48438-6

GASKET Was 64809-7 - A

29

71381-8

SCREW

Выбрано товаров: 29