Запчасти Bobcat V518 LUBRICATING OIL SUMP 367013509 AND BELOW 367312505 AND BELOW POWER UNIT

Схема запчастей Bobcat V518 - LUBRICATING OIL SUMP 367013509 AND BELOW 367312505 AND BELOW POWER UNIT
FIT
1:1
100%

Артикул

Название

Примечание

Количество

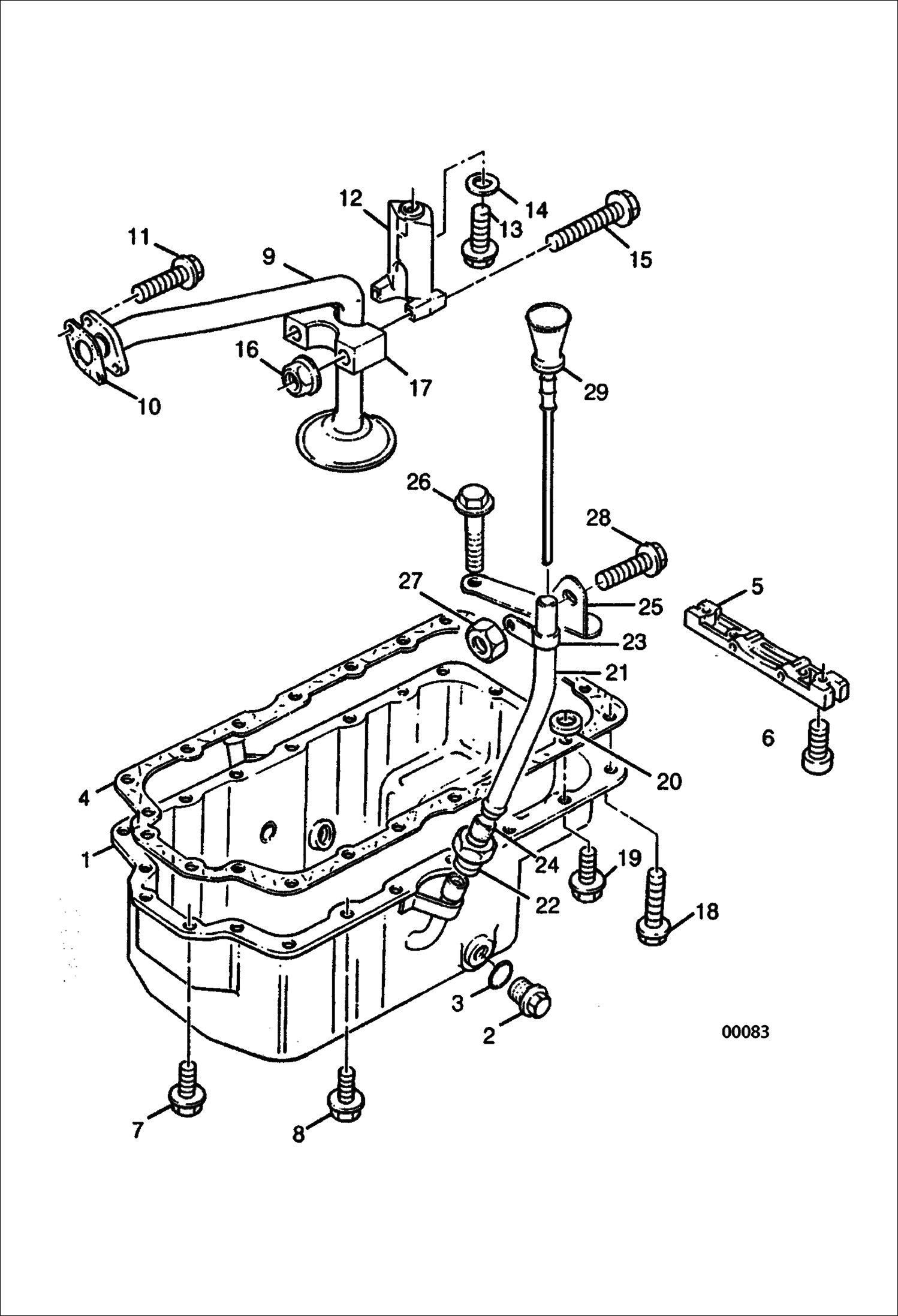
1

71452-7

OIL PAN

2

71453-5

PLUG

3

64752-9

O RING

4

93215-2

SEAL

5

93216-0

BRACKET

6

71275-2

SCREW

7

71456-8

SCREW

8

71456-8

SCREW

9

71457-0

TUBE

10

81063-0

SEAL

11

71459-2

SCREW

12

71460-0

BRACKET

13

71338-8

SCREW

14

71461-8

SPACER

15

71462-6

SCREW

16

71463-4

NUT

17

71467-5

COLLAR

18

71468-3

SCREW

19

64878-2

SCREW

20

71470-9

SPACER

21

89881-7

PIPE W/Ref. 23

22

71465-9

NUT

23

93217-8

COLLAR

24

71466-7

BUSH

25

93218-6

SUPPORT

26

71485-7

SCREW

27

71329-7

NUT

28

71456-8

SCREW

29

93219-4

GAUGE

Выбрано товаров: 29