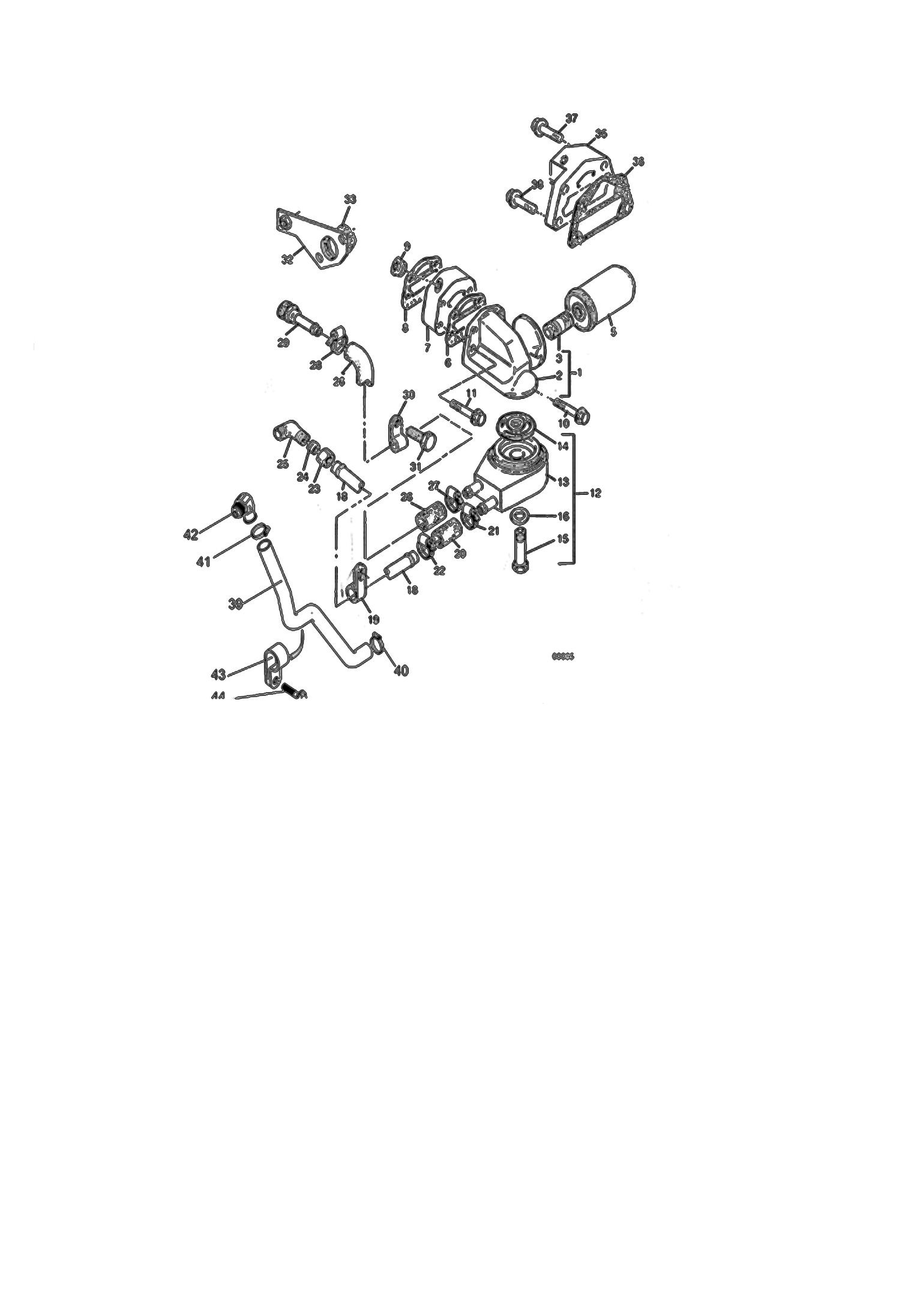
Запчасти Bobcat V518 OIL FILTER AND COOLER 367013509 AND BELOW 367312505 AND BELOW POWER UNIT

Схема запчастей Bobcat V518 - OIL FILTER AND COOLER 367013509 AND BELOW 367312505 AND BELOW POWER UNIT
FIT
1:1
100%

Артикул

Название

Примечание

Количество

1

81087-9

BRACKET Ref. 2,3

2

FILTER HEAD Order Ref. 1

3

81088-7

UNION

5

6511766

OIL FILTER Was 36925-6 - A

6

81076-2

SEAL

7

71479-0

UNION

8

81076-2

SEAL

9

64884-0

PLUG

10

71478-2

SCREW

11

81094-5

SCREW

12

81091-1

TENSIONCOOMER Ref. 13-16

13

OIL COOLER Order Ref. 12

14

81095-2

SEAL

15

81096-0

SCREW

16

81089-5

SEAL

18

81090-3

PIPE W/Ref. 19 - Ref. 18-25 Used on 1st Design

19

81100-0

COLLAR

20

6515709

CONNECTOR Was 93275-6 - A

21

93273-1

COLLAR

22

93273-1

COLLAR

23

81099-4

NUT

24

81101-8

OLIVE

25

81103-4

UNION

26

93276-4

HOSE

27

93273-1

COLLAR

28

93273-1

COLLAR

29

6682994

UNION Was 81102-6 - A

30

93277-2

COLLAR

31

71456-8

SCREW

32

93278-0

SUPPORT

33

81023-4

SEAL

35

81075-4

UNION

36

81076-2

SEAL

37

81074-7

SCREW

38

71475-8

SCREW

39

98613-3

HOSE Ref. 39-44 Used on 2nd Design

40

COLLAR NLA - Was 64968-1 - A

41

COLLAR NLA - Was 64968-1 - A

42

98644-8

ELBOW UNION

43

93277-2

COLLAR

44

71456-8

SCREW

Выбрано товаров: 41