Качественные детали и логистика
Оригинальные и аналоговые запчасти с доставкой по России, Казахстану и Беларуси
©2022 PartSell ООО "Система" ИНН 2463123282 ОГРН 1212400004838
Центральный офис: г. Красноярск, Академика Киренского, д.87, пом.4
Телефон: 8 (800) 777-65-74 Email: zakaz@partsell.ru
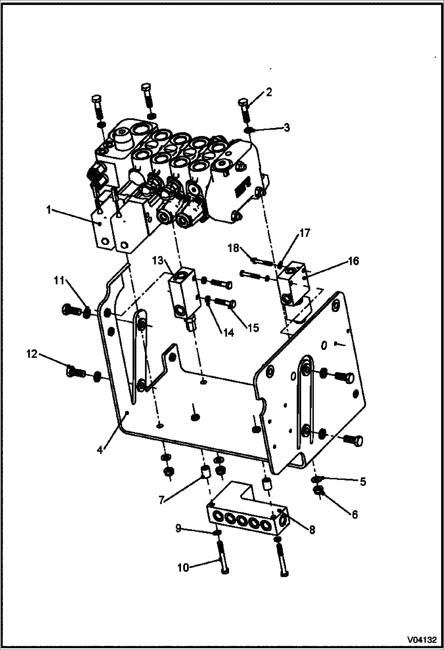
DISTRIBUTOR FIXATIONS 367611001 AND ABOVE 367711001 AND ABOVE
№
Артикул
Название
Примечание
Количество
1
6908552
VALVE, CONTROL See Illustration DISTRIBUTOR: INLET AND OUTLET/ V03055
2
10944-7
SCREW
3
89516-9
WASHER
4
6911180
SUPPORT
5
01698-0
WASHER Z 10 U ZJ8
6
100345-09A
NUT
7
6910771
8
6910660
HYD BLOCK
9
89519-3
10
01511-5
11
11689-7
12
01612-1
SCREW H M 12- 30/ CL 8.8 ZJ8
13
98235-5
BAL.VALVE
14
15
1CM840
BOLT Was 01599-0 - A
16
6910208
VALVE 3/2 CE12V
17
94574-1
18
000326-25M
Выбрано товаров: 0