Запчасти Bobcat V518 ELECTRIC - CONTROL PANEL 367013001 AND ABOVE 367311001 AND ABOVE ELECTRICAL SYSTEM

Схема запчастей Bobcat V518 - ELECTRIC - CONTROL PANEL 367013001 AND ABOVE 367311001 AND ABOVE ELECTRICAL SYSTEM
FIT
1:1
100%

Артикул

Название

Примечание

Количество

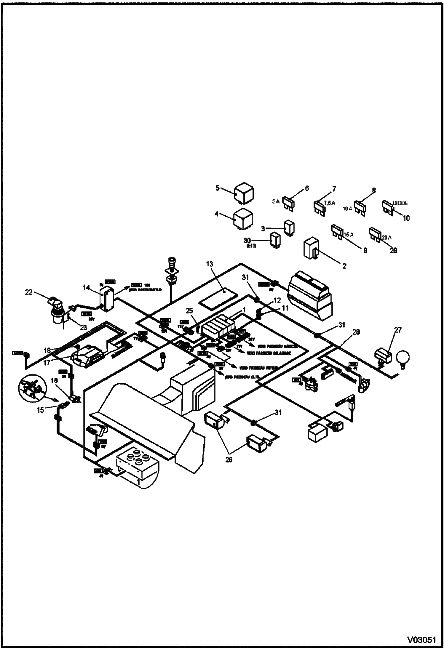
1

6909311

HARNESS , CAB W/Ref. 2-10 - Fuse Box W/Harness

2

96623-4

WINKER RELAY

3

6910955

RELAY,MICRO gray - Was 96618-4 - A

4

79930-4

RELAY black black

5

100411-05U

RELAY green - Was 64120-9 - B

6

64120-9

FUSE 3A

7

57792-4

FUSE 7.5A 7.5A

8

57752-8

FUSE 10A

9

57793-2

FUSE 15A

10

80226-4

DIODE

11

000348-12P

WASHER

12

51851-4

NUT

13

96616-8

DECAL

14

6909408

CONTROL BOX enclosed cab

14

6909314

E' BOX , CONTROL canopy

15

6909324

SENSOR, STOP

16

SENSOR , INCHING NLA - Order 6934897 - Was 6909383 - A

17

97509-4

SUSMIC BOX

18

51851-4

NUT

22

6915268

MANIPULATOR See Illustration CONTROL LEVER/ V03050 Was 6910314 - A

23

01593-3

SCREW , HM 6X30

25

01590-9

SCREW

26

6909971

LIGHT , FRONT WORK

26

58446-6

BULB, FRONT WORK LIGHT (BOOM)

27

6909970

LIGHT , REAR WORK

27

58446-6

BULB, FRONT WORK LIGHT (BOOM)

28

97236-4

WIRING

29

57753-6

FUSE 20A

30

6908341

MICRORELAY (E-13)

31

6909953

GROMMET , 37X45X32/3

Выбрано товаров: 30