Качественные детали и логистика
Оригинальные и аналоговые запчасти с доставкой по России, Казахстану и Беларуси
©2022 PartSell ООО "Система" ИНН 2463123282 ОГРН 1212400004838
Центральный офис: г. Красноярск, Академика Киренского, д.87, пом.4
Телефон: 8 (800) 777-65-74 Email: zakaz@partsell.ru
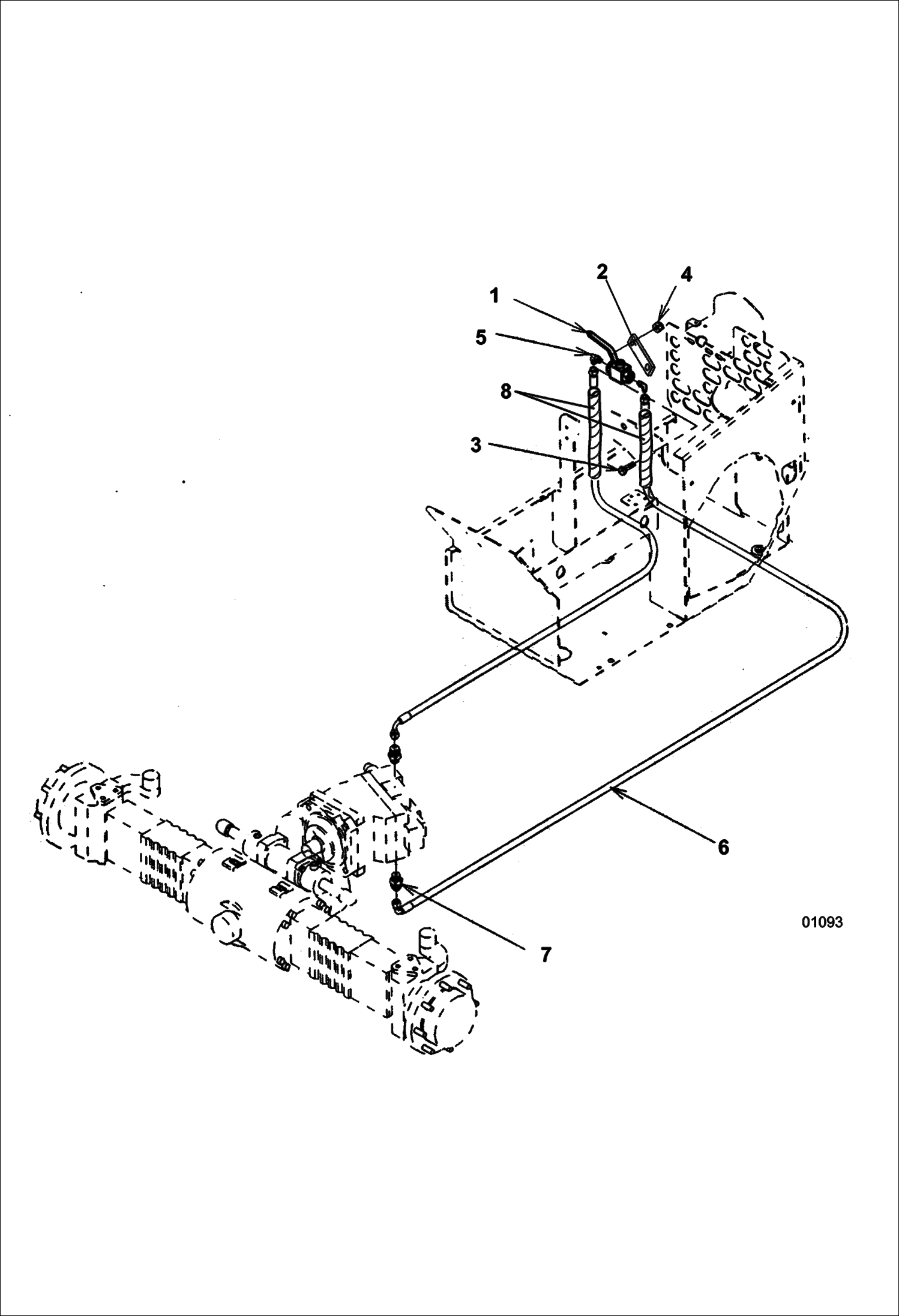
TRANSMISSION BY-PASS
№
Артикул
Название
Примечание
Количество
1
100378-03F
SHUTOFF aux. pressure release
2
77014-9
PLATE
3
01519-8
SCREW
4
100345-09A
NUT
5
77075-0
ELBOW
6
96803-2
HOSE Was 77012-3 - A
7
67046-3
UNION
8
82090-2
SHEATH Sold Per Meter - 1.00 m
Выбрано товаров: 0