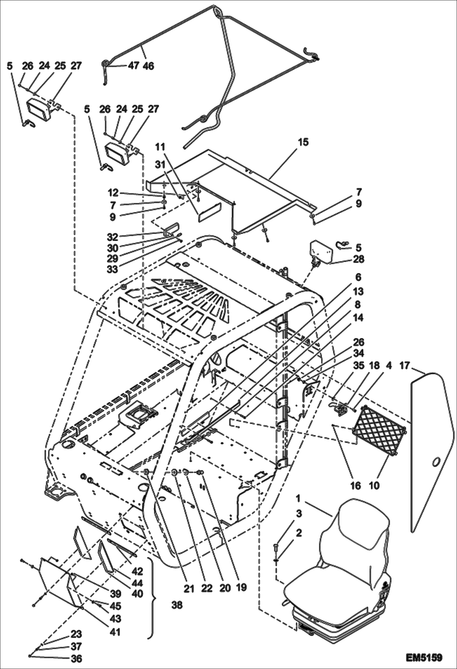
Запчасти Bobcat V518 OPERATOR CAB II (S/N A8G811001 - 12999) MAIN FRAME

Схема запчастей Bobcat V518 - OPERATOR CAB II (S/N A8G811001 - 12999) MAIN FRAME
FIT
1:1
100%

Артикул

Название

Примечание

Количество

1

96039-3

SEAT ( US STANDARD ) See Illustration SEAT/ EM10100

2

89519-3

WASHER

3

1CM820

BOLT Was 01596-6 - B

4

25GM5016

BOLT

5

6960571

BULB Was 7200932 - A

6

6910908

FOAM STRIP

7

000350-21R

WASHER

8

01717-8

WASHER

9

72186-0

SCREW

10

7193037

NET, MANUAL Was 75883-9 - B

11

79581-5

CAP

12

86167-4

NUT

13

97504-5

HANDLE

14

100338-23F

SCREW

15

6910878

COWLING

16

6910999

SCREW

17

6908789

WINDOW PANE,REAR LEFT

18

6910552

DOOR STOP

19

6910946

CATCH,LATCH

20

6910947

LATCH PROTECTOR

21

6910948

CATCH,LATCH

22

6910949

WASHER

23

01696-4

WASHER

24

01591-7

SCREW Was 01590-9 - B

25

29272-2

WASHER

26

63332-1

CAP

27

78815-8

WORK LIGHT Was 6909971 - D

28

78816-6

WORK LIGHT REAR Was 6909970 - D

29

7228077

BULB, LIGHT Was 01443-1 - A

30

007346-02F

WASHER

31

100345-04U

NUT

32

7228070

LIGHT, DOME Was 101438-93V - A

33

6910505

SCREW

34

01666-7

NUT

35

01717-8

WASHER

36

63332-1

CAP

37

01590-9

SCREW

38

6918862

BOX FILTER Ref. 39-45 Was 6910503 - D

39

01664-2

NUT , HM4

40

6910502

FILTER

41

6910503

FILTER BOX

42

6910504

SEAL

43

6910505

SCREW

44

6910929

INTERNAL GRID

45

6910936

WASHER JZC4

46

97236-4

WIRING

47

6909953

GROMMET , 37X45X32/3

Выбрано товаров: 47