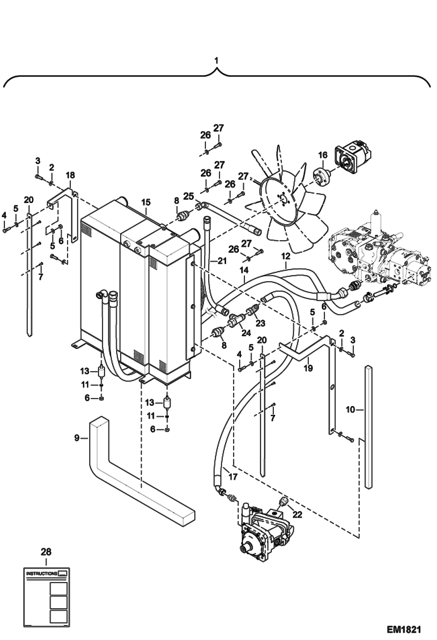
Запчасти Bobcat V518 EXTRA COOLING KIT (S/N A8G811001 - 12049, A8G911001 - 12001) ACCESSORIES & OPTIONS

Схема запчастей Bobcat V518 - EXTRA COOLING KIT (S/N A8G811001 - 12049, A8G911001 - 12001) ACCESSORIES & OPTIONS
FIT
1:1
100%

Артикул

Название

Примечание

Количество

1

6928039

EXTRA COOLING KIT (FULL KIT) W/Ref. 2-28

2

000350-01U

WASHER

3

01591-7

SCREW

4

1CM820

BOLT Was 01596-6 - A

5

01697-2

WASHER

6

53DM8

NUT Was 51851-4 - A

7

66679-2

RIVET

8

85170-9

UNION 1.5/16JIC 1 BSP

9

88394-2

ADHESIVE SPONGE

10

88395-9

ADHESIVE SPONGE

11

1EM80

WASHER Was 89519-3 - A

12

6910602

HOSE TJ1.5/16 25.4 L1980 P185B

13

6910966

BUSHING , RUBBER , RADIATOR

14

6913204

HOSE

15

6933947

RADIATOR See Illustration EXTRA COOLING RADIATOR/ EM8429 Was 6927758 - A

16

HUB NLA Was 6927904 - B

17

6927924

HOSE

18

6927964

BRACKET, CONDENSER

19

6927965

BRACKET, CONDENSER

20

6927966

BRACKET, CONDENSER

21

6928048

HOSE Was 6928047 - A

22

7012005

VALVE

23

13K10

TEE

24

12K10

FITTING

25

6927903

HOSE

26

6932420

SPACER

27

4CM825

BOLT

28

6989573

INSTRUCTIONS

Выбрано товаров: 28