Качественные детали и логистика
Оригинальные и аналоговые запчасти с доставкой по России, Казахстану и Беларуси
©2022 PartSell ООО "Система" ИНН 2463123282 ОГРН 1212400004838
Центральный офис: г. Красноярск, Академика Киренского, д.87, пом.4
Телефон: 8 (800) 777-65-74 Email: zakaz@partsell.ru
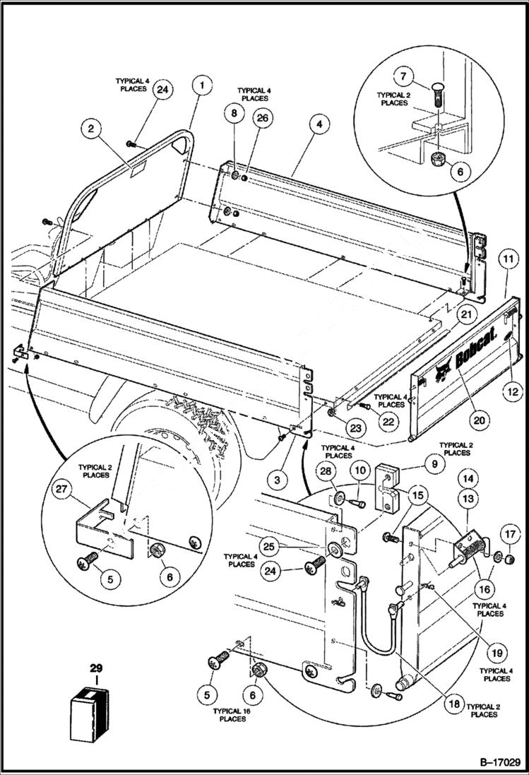
CARGO BOX
№
Артикул
Название
Примечание
Количество
1
102221301CC
FRONT PANEL assy - W/Ref. 2
2
101553901CC
DECAL bed load
3
102221401CC
SIDE PANEL driver side
4
102221501CC
SIDE PANEL passenger side
5
1015399CC
SCREW
6
7473CC
NUT
7
1010435CC
BOLT
8
332CC
WASHER
9
102222001CC
LATCH
10
1010436CC
BUMPER
11
102229908CC
TAILGATE assy - Ref. 12-20 assy - Ref. 12 - 20 - Was 102229902CC - A
12
DECAL IR Tailgate Logo - Was 102339101CC - A
13
102222101CC
SPRING LATCH passenger side
14
102222201CC
SPRING LATCH driver side
15
8419CC
Screw
16
17
8233CC
18
102221801CC
TETHER
19
1013366CC
PIN
20
102339001CC
DECAL Bobcat - tailgate
21
101894304CC
KIT tailgate angle
22
1014537CC
STUD
23
101963401CC
24
1014415CC
25
1014306CC
26
27
102221701CC
CAP
28
102239901CC
29
102230602CC
Kit steel box - Ref. 1-28
Выбрано товаров: 0