Качественные детали и логистика
Оригинальные и аналоговые запчасти с доставкой по России, Казахстану и Беларуси
©2022 PartSell ООО "Система" ИНН 2463123282 ОГРН 1212400004838
Центральный офис: г. Красноярск, Академика Киренского, д.87, пом.4
Телефон: 8 (800) 777-65-74 Email: zakaz@partsell.ru
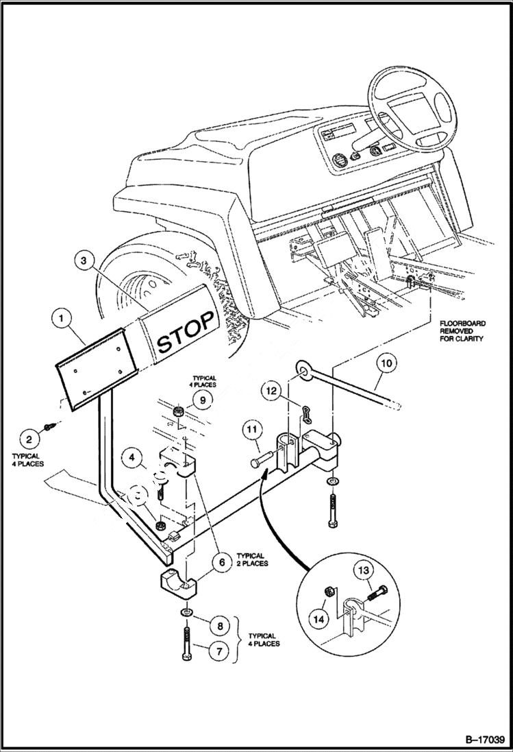
BRAKE PEDAL ASSEMBLY
№
Артикул
Название
Примечание
Количество
1
102028901CC
BRAKE PEDAL assy - Ref. 2-5
2
7716CC
SCREW
3
102028601CC
PAD brake pedal
4
1010878CC
BUMPER
5
1028CC
NUT
6
1011402CC
BLOCK brake mounting
7
1010921CC
8
1241CC
WASHER
9
7473CC
10
101953105CC
ROD equalizer
11
102323201CC
PIN clevis
12
102292801CC
PIN bow tie
13
PIN Was 101953001CC - A
14
Выбрано товаров: 0