Качественные детали и логистика
Оригинальные и аналоговые запчасти с доставкой по России, Казахстану и Беларуси
©2022 PartSell ООО "Система" ИНН 2463123282 ОГРН 1212400004838
Центральный офис: г. Красноярск, Академика Киренского, д.87, пом.4
Телефон: 8 (800) 777-65-74 Email: zakaz@partsell.ru
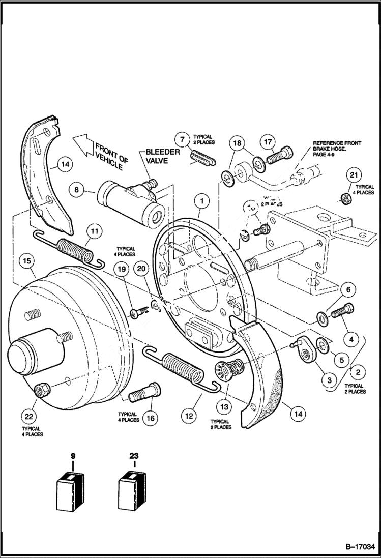
FRONT BRAKE ASSEMBLY
№
Артикул
Название
Примечание
Количество
1
102049401CC
Plate
2
102049601CC
Kit axle adjuster - Ref. 3-7
3
102049501CC
Adjuster LeveR assy
4
102049901CC
BOLT
5
WASHER Was 102050001CC - A
6
WASHER NLA
7
102050101CC
COVER dust
8
102050301CC
CYLINDER
9
102049701CC
KIT axle hardware - Ref. 10-13
10
102050401CC
11
102050601CC
SPRING upper
12
102050501CC
SPRING lower
13
102050701CC
HOLD-DOWN shoe
14
102050201CC
KIT hydraulic shoe (4 shoes per kit)
15
102044201CC
BRAKE DRUM W/Ref. 16
16
1013787CC
STUD
17
102044401CC
18
102045501CC
WASHER
19
103868001CC
SCREW, 5/16-24 X 1.0 TORX HD Was 102051001CC - A
20
1017233CC
21
1013924CC
NUT
22
1010984CC
23
102033301CC
Cluster brake - Ref. 1-14
Выбрано товаров: 0