Запчасти Bobcat 2100S REAR BRAKE ASSEMBLY CHASSIS

Схема запчастей Bobcat 2100S - REAR BRAKE ASSEMBLY CHASSIS
FIT
1:1
100%

Артикул

Название

Примечание

Количество

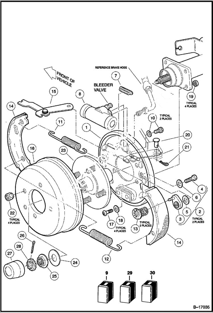
1

102049401CC

Plate

2

102049601CC

Kit axle adjuster - Ref. 3-7

3

102049501CC

Adjuster LeveR assy

4

102049901CC

BOLT

5

WASHER Was 102050001CC - A

6

WASHER NLA

7

102050101CC

COVER dust

8

102050801CC

CYLINDER

9

102049701CC

KIT axle hardware - Ref. 10-13

10

102050401CC

BOLT

11

102050601CC

SPRING upper

12

102050501CC

SPRING lower

13

102050701CC

HOLD-DOWN shoe

14

102050201CC

KIT hydraulic shoe (4 shoes per kit)

15

102050901CC

Lever park brake - passenger side

15

102050902CC

Lever park brake - driver side

16

102264701CC

DRUM brake

17

103868001CC

SCREW, 5/16-24 X 1.0 TORX HD Was 102051001CC - A

18

1017233CC

WASHER

19

1013924CC

NUT

20

1010829CC

PIN

21

1013366CC

PIN

22

1010984CC

NUT

23

102269101CC

HUB

24

102269301CC

WASHER

25

102269201CC

NUT

26

101838801CC

COTTER PIN

27

102274101CC

CAP

28

102276001CC

LOCKING CAP

29

102033401CC

BRAKE ASSY Ref. 1-16 - driver's side

30

102033501CC

BRAKE ASSY Ref. 1-16 - passenger's side

Выбрано товаров: 31