Качественные детали и логистика
Оригинальные и аналоговые запчасти с доставкой по России, Казахстану и Беларуси
©2022 PartSell ООО "Система" ИНН 2463123282 ОГРН 1212400004838
Центральный офис: г. Красноярск, Академика Киренского, д.87, пом.4
Телефон: 8 (800) 777-65-74 Email: zakaz@partsell.ru
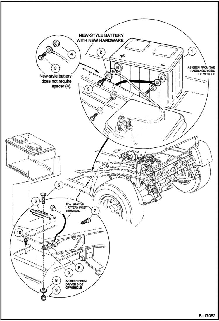
BATTERY
№
Артикул
Название
Примечание
Количество
1
6686662D
BATTERY, WET 525CCA, BOBCAT 12-volt - Was 1012328CC - A
2
102355301CC
WASHER
3
1014375CC
SCREW
4
1014374CC
SPACER battery terminal
5
1010934CC
6
101898001CC
CLAMP
7
7173CC
8
1241CC
9
7473CC
NUT
10
1014288CC
Выбрано товаров: 0