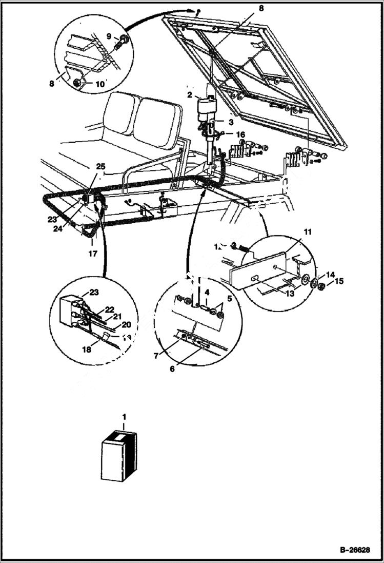
Запчасти Bobcat 2100S ELECTRIC TILT BED KIT ACCESSORIES & OPTIONS

Схема запчастей Bobcat 2100S - ELECTRIC TILT BED KIT ACCESSORIES & OPTIONS
FIT
1:1
100%

Артикул

Название

Примечание

Количество

1

101716102CC

ELECTRIC BOX LIFT KIT W/Ref. 2 - 25

2

ELECTRIC ACTUATOR NLA - W/Ref. 3 - Order Ref. 1

3

101570401CC

WARNING DECAL

4

1016603CC

SPACER

5

1017774CC

SPACER

6

17C648

BOLT 5

7

83D6

NUT 5

8

1017167CC

ADAPTER ACTUATOR

9

17C516

BOLT

10

81D5

NUT

11

1015612CC

BRACKET

12

17C620

BOLT

13

27E6

WASHER 5

14

357CC

Washer

15

61D6

NUT 5

16

6624289

STRAP, TIE

17

1017163CC

WIRE HARNESS ASSY W/Ref. 18-23

18

WIRE ASM. NLA- 14 ga. red W/Ref. 19

19

101881801CC

CIRCUIT BREAKER

20

WIRE ASM. NLA- 14 ga. yellow

21

WIRE ASM. NLA - 14 ga. red

22

WIRE ASM. NLA- 14 ga. black

23

1015636CC

TOGGLE SWITCH bed lift

24

1015653CC

DECAL up/down decal

25

27E7

WASHER

Выбрано товаров: 25