Качественные детали и логистика
Оригинальные и аналоговые запчасти с доставкой по России, Казахстану и Беларуси
©2022 PartSell ООО "Система" ИНН 2463123282 ОГРН 1212400004838
Центральный офис: г. Красноярск, Академика Киренского, д.87, пом.4
Телефон: 8 (800) 777-65-74 Email: zakaz@partsell.ru
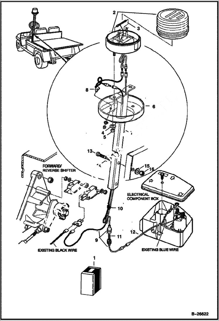
POST-MOUNTED STROBE LIGHT
№
Артикул
Название
Примечание
Количество
1
1015765CC
SAFETY STROBE LHT POST MNT GAS KIT - W/Ref. 2-16
2
1015156CC
LIGHT ASSEMBLY, STROBE W/Ref. 3-5
3
1015526CC
BULB
4
183CC
WASHER
5
7893CC
NUT
6
1015157CC
COVER PLATE
7
1015160CC
POLE
8
1015187CC
SWITCH
9
1015172CC
WIRE HARNESS W/Ref. 10-11
10
GROMMET NSS - Order Ref. 9
11
3-AMP FUSE NSS - Order Ref. 9
12
16 GA.YELLOW WIRE ASSEMBLY NSS
13
17C412
BOLT 5
14
27E4
15
61D4
NUT 5
16
1015162CC
DOUBLE TERMINAL
Выбрано товаров: 0