Запчасти Bobcat 2100S STANDARD LIGHTING KIT ACCESSORIES & OPTIONS

Схема запчастей Bobcat 2100S - STANDARD LIGHTING KIT ACCESSORIES & OPTIONS
FIT
1:1
100%

Артикул

Название

Примечание

Количество

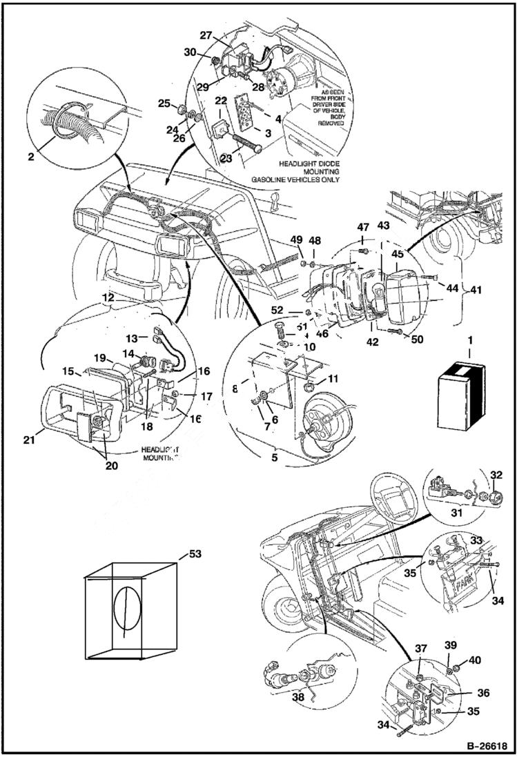
1

101705603CC

LIGHT PKG STD CA II FIELD TPO W/Ref. 2-53

2

6624289

STRAP, TIE

3

1016356CC

TERMINAL BLOCK

4

POP RIVET NLA- 5/32 aluminum

5

4029CC

HORN W/Ref. 6-8

6

6E5

WASHER

7

1DM6

NUT Was 4DM6 - A

8

1011825CC

BRACKET HORN

9

17C416

BOLT

10

27E4

WASHER

11

81D4

NUT

12

101988001CC

HEADLIGHT driver side -W/Ref. 13-21

12

101988002CC

HEADLIGHT passenger side - W/Ref.13-21

13

101987901CC

HARNESS

14

101988101CC

BULB

15

101988201CC

LENS

16

1017064CC

BRACKET

17

7893CC

NUT

18

1013461CC

SCREW

19

1017065CC

RETAINER

20

1017062CC

SIGNAL ASSY

21

1016880CC

BEZEL drivers side

21

1016879CC

BEZEL

22

1017721CC

DIODE

23

75G1020

SCREW

24

1016CC

WASHER

25

7893CC

NUT

26

183CC

WASHER

27

102199001CC

RELAY, 12V POWER

28

87G412

SCREW

29

7591CC

WASHER

30

1011229CC

LOCKNUT, #6-32 WHIZ

31

4034CC

LIGHT SWITCH W/Ref. 32

32

1013857CC

KNOB

33

1011439CC

SWITCH

34

1011557CC

SCREW

35

101932201CC

NUT

36

101957101CC

BRACKET

37

81D5

NUT

38

101969701CC

SWITCH HORN

39

27E5

WASHER

40

81D5

NUT

41

1017035CC

TAIL LIGHT W/Ref. 42-45

42

TAILLIIGHT BASE NSS- Order Ref. 41

43

1011582CC

BULB

44

HARDWARE KIT NSS- Order Ref. 41

45

1011843CC

TAIL LIGHT LENS

46

1011497CC

BEZEL, TAILLIGHT

47

87G808

SCREW 8-32 x 1/2

48

12E8

WASHER

49

1011571CC

NUT

50

87G608

SCREW

51

7591CC

WASHER

52

1011558CC

NUT

53

101987801CC

LIGHTING HARNESS

Выбрано товаров: 55