Запчасти Bobcat 2200 GEAR CASE Tier II 2353 11569 & Above POWER UNIT

Схема запчастей Bobcat 2200 - GEAR CASE Tier II 2353 11569 & Above POWER UNIT
FIT
1:1
100%

Артикул

Название

Примечание

Количество

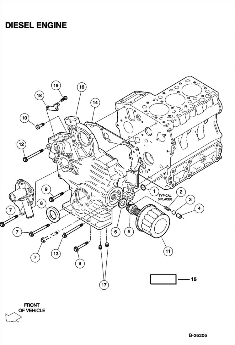
1

6677915

SEAL Was 102601801CC - A

2

6670359

SPRING Was 102601901CC - A

3

6670361

BALL Was 102602001CC - A

4

6670360

SEAT Was 102602101CC

5

6652597

ADAPTER Was 102602301CC - A

6

6677916

WASHER Was 102602401CC - A

7

6670357

BOLT Was 102602601CC - A

8

6670358

SEAL Was 102602701CC front crankshaft - A

9

6670770

BOLT Was 102602801CC - A

10

6652580

BOLT Was 102654301CC - A

11

6674057

WASHER Was 102703301CC - A

12

6657414

BOLT Was 102727401CC - A

13

102727501CC

BOLT

14

102729301CC

GASKET

15

102798101CC

GEAR CASE W/Ref 16-19

16

CASE N/A

17

102601001CC

PLUG 1/4'' - Was 102601001CC - A

18

102798201CC

STAY

19

102727601CC

SCREW Was 102798301cc - A

Выбрано товаров: 19