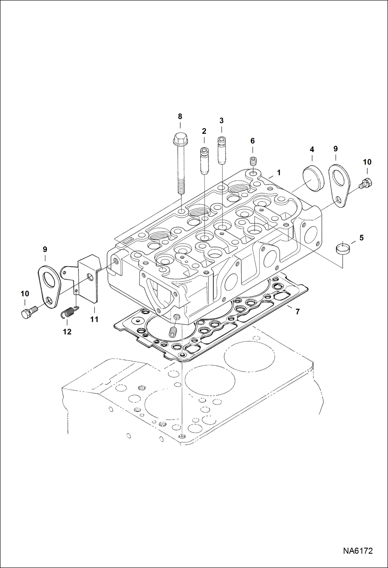
Запчасти Bobcat 2200 CYLINDER HEAD REPLACEMENT ENGINE

Схема запчастей Bobcat 2200 - CYLINDER HEAD REPLACEMENT ENGINE
FIT
1:1
100%

Артикул

Название

Примечание

Количество

1

6688058

HEAD W/Ref. 2-8

2

6670351

VALVE GUIDE intake

3

6670352

VALVE GUIDE exhaust

4

3974033

CAP

5

3974056

CAP

6

6598116

PLUG

7

7000501

GASKET metal shim type - 3 layers

8

6670353

BOLT

9

3974882

HOOK

10

6667421

BOLT

11

7022737

BRACKET

12

6683024

SPRING RETURN

Выбрано товаров: 12