Качественные детали и логистика
Оригинальные и аналоговые запчасти с доставкой по России, Казахстану и Беларуси
©2022 PartSell ООО "Система" ИНН 2463123282 ОГРН 1212400004838
Центральный офис: г. Красноярск, Академика Киренского, д.87, пом.4
Телефон: 8 (800) 777-65-74 Email: zakaz@partsell.ru
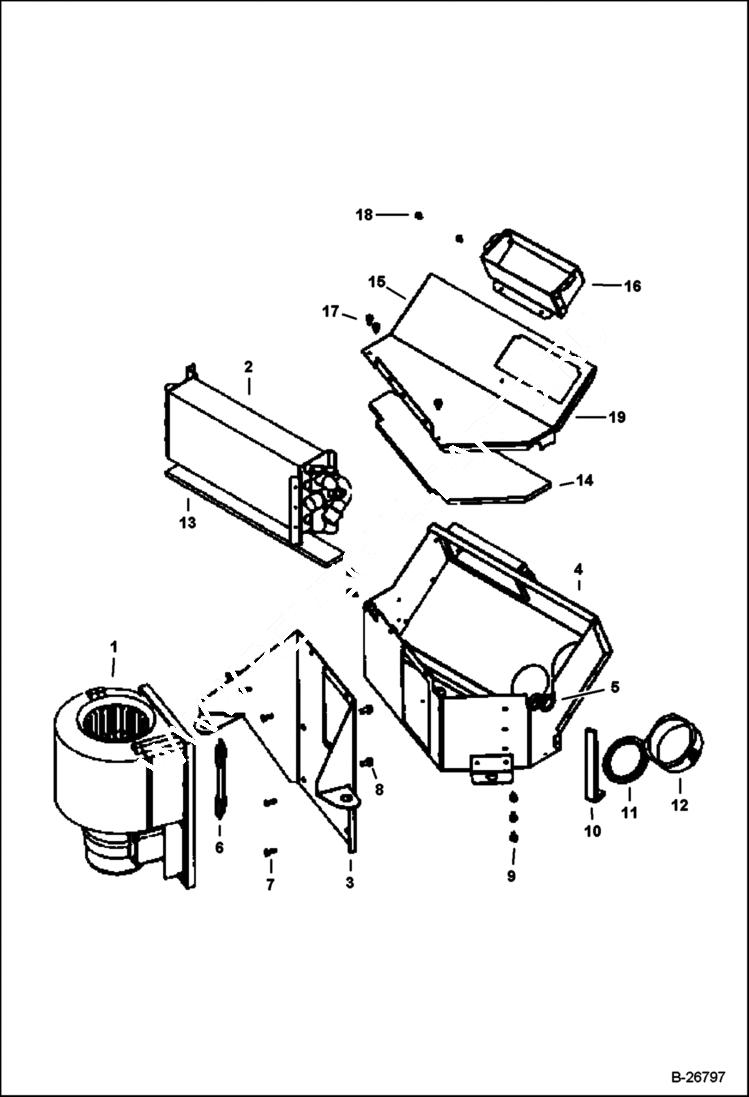
CAB HEATER KIT(GASOLINE)
№
Артикул
Название
Примечание
Количество
1
S07062905
BLOWER MOTOR
2
6696944
HEATER COIL
3
6696948
BLOWER HOLDER
4
6696946
HEATER CASING
5
6676538
INSULATION bulk - sold per foot
6
103344601CC
SUPPORT BRACKET
7
SCREW NLA - M4 x 12 phillips head
8
6691532
SCREW Was 6677118 - A
9
58G808
SCREW
10
6696953
FOAM
11
6696950
PLUG
12
6696945
HOSE ADAPTER
13
6696954
INSULATION
14
6696951
15
6696947
COVER
16
6696949
VENT DUCT
17
6677119
18
6684951
19
6696952
GASKET
Выбрано товаров: 0