Запчасти Bobcat 2200 FUEL SYSTEM GASOLINE VEHICLE HONDA ENGINE MAIN FRAME

Схема запчастей Bobcat 2200 - FUEL SYSTEM GASOLINE VEHICLE HONDA ENGINE MAIN FRAME
FIT
1:1
100%

Артикул

Название

Примечание

Количество

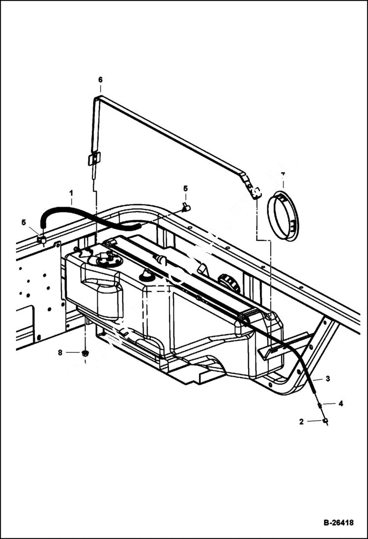
1

103307901CC

FUEL HOSE

2

1013746CC

CLAMP

3

101587703CC

TUBE CARBURETOR AIR VENT

4

101824401CC

BARB VENT

5

102411202CC

CLAMP

6

102426301CC

STRAP TANK FUEL

7

102466201CC

BEZEL

8

102618601CC

NUT Was 102298401CC - B

Выбрано товаров: 8