Качественные детали и логистика
Оригинальные и аналоговые запчасти с доставкой по России, Казахстану и Беларуси
©2022 PartSell ООО "Система" ИНН 2463123282 ОГРН 1212400004838
Центральный офис: г. Красноярск, Академика Киренского, д.87, пом.4
Телефон: 8 (800) 777-65-74 Email: zakaz@partsell.ru
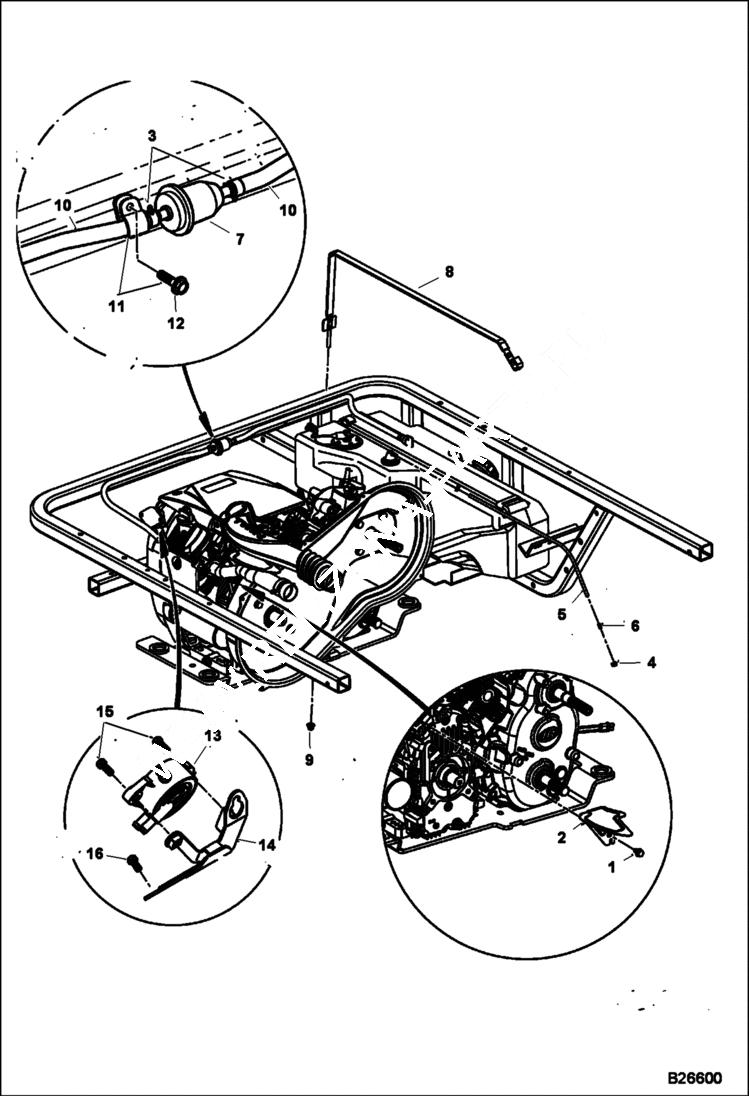
FUEL SYSTEM KAWASAKI ENGINE
№
Артикул
Название
Примечание
Количество
1
102621201CC
BOLT NLA- W/Ref. 2- 10 - Order components
2
SHIELD, HEAT NLA - Was 103262101CC - A
3
102411202CC
CLAMP Was 1012649CC - B
4
1013746CC
CLAMP
5
101587703CC
TUBE CARBURETOR AIR VENT 22'' (558.8mm) LONG
6
101824401CC
BARB VENT
7
102003201CC
FILTER
8
102426301CC
STRAP TANK FUEL
9
102618601CC
NUT
10
102865101CC
HOSE, FUEL 1 = 1FT
11
103387501CC
METAL CLAMP W/Ref. 12 & instructions
12
102289001CC
SCREW
13
103010101CC
PUMP, FUEL
14
103009901CC
BRACKET
15
103298501CC
BOLT, FLANGE
16
102992501CC
Выбрано товаров: 0