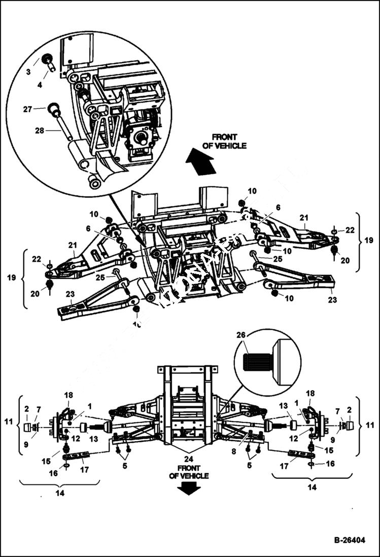
Запчасти Bobcat 2200 FRONT SUSPENSION A-ARMS CHASSIS

Схема запчастей Bobcat 2200 - FRONT SUSPENSION A-ARMS CHASSIS
FIT
1:1
100%

Артикул

Название

Примечание

Количество

1

102022901CC

NUT

2

102274101CC

CAP

3

102408401CC

BUSHING

4

102437001CC

SLEEVE UPPER

5

102490801CC

BOLT

6

102616301CC

BOLT

7

102617501CC

NUT

8

102617701CC

NUT

9

102617801CC

WASHER

10

102620501CC

NUT m12x1.75, flg

11

102791701CC

LH ASM HUB ASM W/Ref. 12-18

11

102791702CC

RH ASM HUB ASM W/Ref. 12-18

12

102022901CC

NUT

13

102464301CC

BEARING

14

102874302CC

ADJUSTER ASSM W/Ref. 15-17 - Was 102874301CC - A

15

102361901CC

BALL JOINT

16

102722301CC

RING RETAINING EXT 1-1/4''

17

ADJUSTER NLA - Order Ref. 14 - Was 102874201CC - A

18

UPRIGHT, FINISHED LH NLA - Order 102791701CC LH hub asm - Was 103277001CC - A

18

UPRIGHT, FINISHED RH NLA - Order 102791702CC RH hub asm - Was 103277002CC - A

19

102792001CC

LH UPPER W/Ref. 20-22

19

102792002CC

RH UPPER W/Ref. 20-22

20

102361901CC

BALL JOINT

21

102927101CC

LH UPPER ARM

21

102927102CC

RH UPPER ARM

22

102722301CC

RING RETAINING EXT 1-1/4''

23

102874501CC

LOWER ARM

24

103762201CC

SHAFT, STEERING Includes CV joints - if equipped W/speedometer, Also Order SVPR08295CC magnet kit - Was 102793701CC - A

25

103256701CC

M12X1.75X200

26

103345801CC

RING, RETAINER

27

103256501CC

BUSHING, LOWER ARM 42mm O.D. of flange

27

102469901CC

BUSHING 38mm O.D. of flange

28

103256401CC

SLEEVE Use W/103256501CC bushings

28

102437101CC

SLEEVE LOWER Use W/102469901CC bushings

Выбрано товаров: 34