Запчасти Bobcat 2200 DRIVE CLUTCH (2-weight) DRIVE TRAIN

Схема запчастей Bobcat 2200 - DRIVE CLUTCH (2-weight) DRIVE TRAIN
FIT
1:1
100%

Артикул

Название

Примечание

Количество

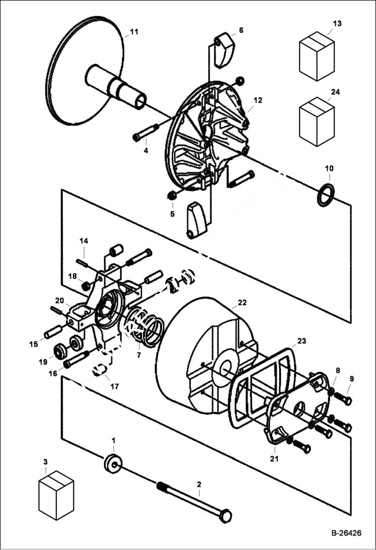
1

102385601CC

WASHER

2

102490001CC

BOLT m10x1.25x200 - W/threadlocker - gas

2

BOLT NLA - m10x1.5x160 - W/threadlocker - diesel - Was 102616501CC - A

3

CVT PRIMARY GAS See Illustration DRIVE CLUTCH KIT/ NA8011 NLA - gas clutch w/cover - Ref. 4-23 - Order 103857801CC clutch kit - Was 103185401CC - A

3

CVT PRIMARY DIESEL See Illustration DRIVE CLUTCH KIT/ NA8011 NLA - diesel clutch w/cover - Ref. 4-23 - Order 103857901CC clutch kit - Was 103185501CC

4

SCREW NLA - Order Ref.3 - Was 102690501CC - A

5

NUT NLA - Order Ref. 3 - Was 102690701CC - A

6

WEIGHT, CLUTCH NLA - Order Ref. 3 - Was 102691001CC - A

7

SPRING COMP NLA - Order Ref. 3 - Was 102691401CC - A

8

102691601CC

WASHER 1/4- lock

9

SCREW NLA - 1/4X1.25, hex head - Order Ref. 3 - Was 102691701CC - A

10

102691801CC

SHIM 1.63x1.33

11

CLUTCH DRIVE NLA - gas - Order Ref. 3

12

MOVEABLE CLUTCH DRIVE NLA - Order Ref. 3

13

SPIDER SUBASSEMBLY NLA - W/Ref. 14-20 - Order components

14

PIN, SPRING NLA - Order Ref. 3 - Was 102690201CC - A

15

PIN, DOWEL NLA - Order Ref. 3 - Was 102690301CC - A

16

SCREW NLA - Order Ref. 3 - Was 102690501CC - A

17

ROLLER NLA - Order Ref. 3 - Was 102839401CC - A

18

NUT NLA - Order Ref. 3 - Was 102690701CC - A

19

ROLLER TORQUE GAS NLA - gas - Was 102691901CC - A

19

ROLLER TORQUE DIESEL NLA - diesel - Order Ref. 3 - Was 102690401CC - A

20

SPIDER, DRIVE CLUTCH NLA - Order Ref. 3

21

DRIVE CLUTCH COVER NLA - Order Ref. 3

22

KIT, CLUTCH COVER PRIMARY NLA - W/Ref. 23 - Order Ref. 3 - Was 103185701CC - A

22

COVER NLA - Order Ref. 3 - Was 103185801CC - A

23

GASKET NLA - Order Ref. 3 - Was 103185901CC - A

24

KIT CVT - Engine Braking - See Ill. B27886A

Выбрано товаров: 28