Качественные детали и логистика
Оригинальные и аналоговые запчасти с доставкой по России, Казахстану и Беларуси
©2022 PartSell ООО "Система" ИНН 2463123282 ОГРН 1212400004838
Центральный офис: г. Красноярск, Академика Киренского, д.87, пом.4
Телефон: 8 (800) 777-65-74 Email: zakaz@partsell.ru
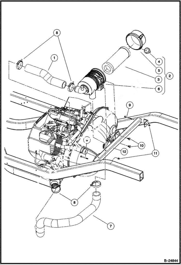
INTAKE DUCT & AIR BOX ASSY HONDA ENGINE
№
Артикул
Название
Примечание
Количество
1
102378901CC
HOSE INTAKE
2
102810701CC
FILTER AIR CANISTER W/Ref. 3-6, Was 102379301CC - A
3
6672467
FILTER, AIR OUTER Was 102498601CC - A
4
102725501CC
VALVE EVACUATOR
5
102725601CC
CAP
6
BODY NLA
7
102395601CC
8
102411210CC
CLAMP
9
102541465CC
BOLT
10
102621201CC
11
102621501CC
NUT
12
102794001CC
WELDMENT
Выбрано товаров: 0