Качественные детали и логистика
Оригинальные и аналоговые запчасти с доставкой по России, Казахстану и Беларуси
©2022 PartSell ООО "Система" ИНН 2463123282 ОГРН 1212400004838
Центральный офис: г. Красноярск, Академика Киренского, д.87, пом.4
Телефон: 8 (800) 777-65-74 Email: zakaz@partsell.ru
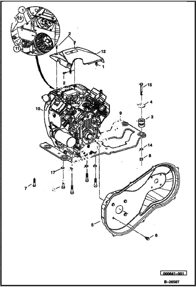
ENGINE MOUNTING KAWASAKI ENGINE
№
Артикул
Название
Примечание
Количество
1
102296601CC
U-NUT
2
102296920CC
SCREW
3
102370501CC
ISOLATOR
4
102370601CC
WASHER
5
102462504CC
COVER inner - Was 102462503CC - A
6
102491001CC
BOLT
7
BOLT NLA - Order Ref. 16 & 17 - Was 102687801CC (W/ pre applied threadlock) - B,D
8
102740401CC
LOCKNUT
9
102951901CC
ENGINE MOUNT
10
103528201CC
ENGINE, KAWASAKI Was 102960201CC - A
11
103208701CC
COVER
12
103262901CC
13
103279201CC
14
96701412CC
15
96704721CC
16
96704960CC
BOLT also use threadlock
17
96741046CC
Выбрано товаров: 0