Запчасти Bobcat 2200 BENCH SEAT CONVERSION KIT ACCESSORIES & OPTIONS

Схема запчастей Bobcat 2200 - BENCH SEAT CONVERSION KIT ACCESSORIES & OPTIONS
FIT
1:1
100%

Артикул

Название

Примечание

Количество

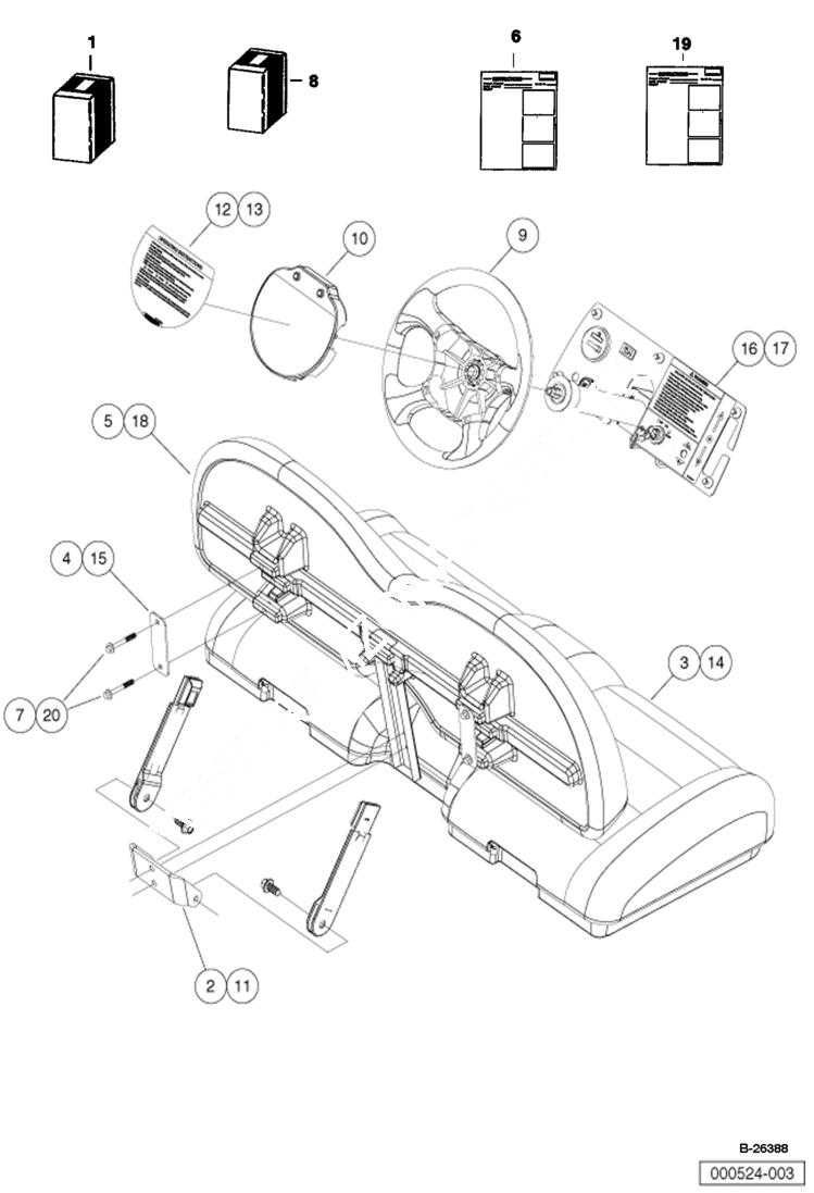
1

103183101CC

BENCH SEAT KIT W/Ref. 2-7

2

102759901CC

BRACKET

3

SEAT BOTTOM See Illustration BENCH SEAT CONVERSION/ NA2407 NLA - Order 103647201CC gray bench seat kit & 103643901CC conversion kit - Was 102879201CC - A

4

102879401CC

BRACKET

5

SEAT BACK See Illustration BENCH SEAT CONVERSION/ NA2407 NLA - Order 103647201CC gray bench seat kit & 103643901CC conversion kit - Was 102879201CC - A

6

INSTRUCTIONS NLA - instructions not serviced - Was 103187701CC - D

7

103262601CC

BOLT

8

NLA - W/Ref. 9-20 - Was 103183201CC - A

9

AM1229401CC

WHEEL, STEERING Was 102537801CC - A

10

102540802CC

CENTER PLATE

11

102759901CC

BRACKET

12

DECAL NLA - warning lamp, gas - Was 102889001CC - A

13

DECAL NLA - warning lamp, diesel - Was 102889101CC - A

14

SEAT BOTTOM See Illustration BENCH SEAT CONVERSION/ NA2407 NLA - Order 103647201CC gray bench seat kit & 103643901CC conversion kit - Was 102879201CC - A

15

102879401CC

BRACKET

16

DECAL NLA - operating instructions-diesel - Was 102873901CC - A

17

102878301CC

DECAL operating instructions-gas

18

SEAT BACK See Illustration BENCH SEAT CONVERSION/ NA2407 NLA - Order 103647201CC gray bench seat kit & 103643901CC conversion kit - Was 102912301CC - A

19

INSTRUCTIONS NLA - instructions not serviced - Was 103187701CC - D

20

103262601CC

BOLT flng, m8x55 - W/threadlocker

Выбрано товаров: 0