Запчасти Bobcat 2200 FASCIA AND FENDERS MAIN FRAME

Схема запчастей Bobcat 2200 - FASCIA AND FENDERS MAIN FRAME
FIT
1:1
100%

Артикул

Название

Примечание

Количество

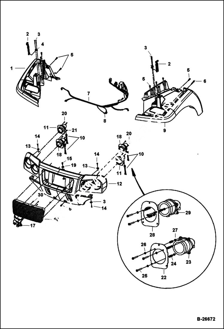
1

102866901CC

FRNT PASS, AWD fender

2

102895101CC

LATCH latch

3

103218107CC

#8X2.00, HEX HEAD

4

102882401CC

BRACKET bracket

5

102289001CC

SCREW

6

102292356CC

SELF DRILLING 1/4 x 20 - screw

7

103213301CC

HARNESS

8

103317301CC

HARNESS high beam

9

102867001CC

FRONT DRVR. AWD fender

10

103219101CC

HARNESS headlight connector

11

103197801CC

HEADLAMP low beam - W/Ref. 22-27

12

102867601CC

FASCIA fascia

13

1011578CC

WASHER, 5/16 TYPE B FLAT

14

102297230CC

M6 ,TORX

15

102895401CC

D50X16, TORX

16

102896301CC

GRILL

17

102883501CC

BOBCAT

18

103197901CC

HEADLAMP high beam - W/Ref. 24-29

19

808CC

WASHER

20

103218202CC

#10 X .75 HEX HEAD screw

21

103218207CC

#10 X 2.00 HEX HEAD screw

22

102894801CC

BRACKET, HEADLIGHT low beam

23

103197601CC

LIGHT, FRONT ASSY low beam

24

SPRING, HEADLIGHT NLA - Order ASSEMBLY - Was 103206301CC - A

25

SCREW NLA - Order assembly - Was 103206401CC - A

26

WASHER NLA - external star - Order assembly - Was 103206501CC - A

27

BUSHING, PLASTIC NLA - Order assembly - Was 103206701CC - A

28

102894901CC

BRACKET, HEADLIGHT high beam

29

LIGHT, FRONT ASSY NLA - high beam - Order 103197901CC headlamp - Was 103197701CC - A

30

101804301CC

SCREW

Выбрано товаров: 30