Качественные детали и логистика
Оригинальные и аналоговые запчасти с доставкой по России, Казахстану и Беларуси
©2022 PartSell ООО "Система" ИНН 2463123282 ОГРН 1212400004838
Центральный офис: г. Красноярск, Академика Киренского, д.87, пом.4
Телефон: 8 (800) 777-65-74 Email: zakaz@partsell.ru
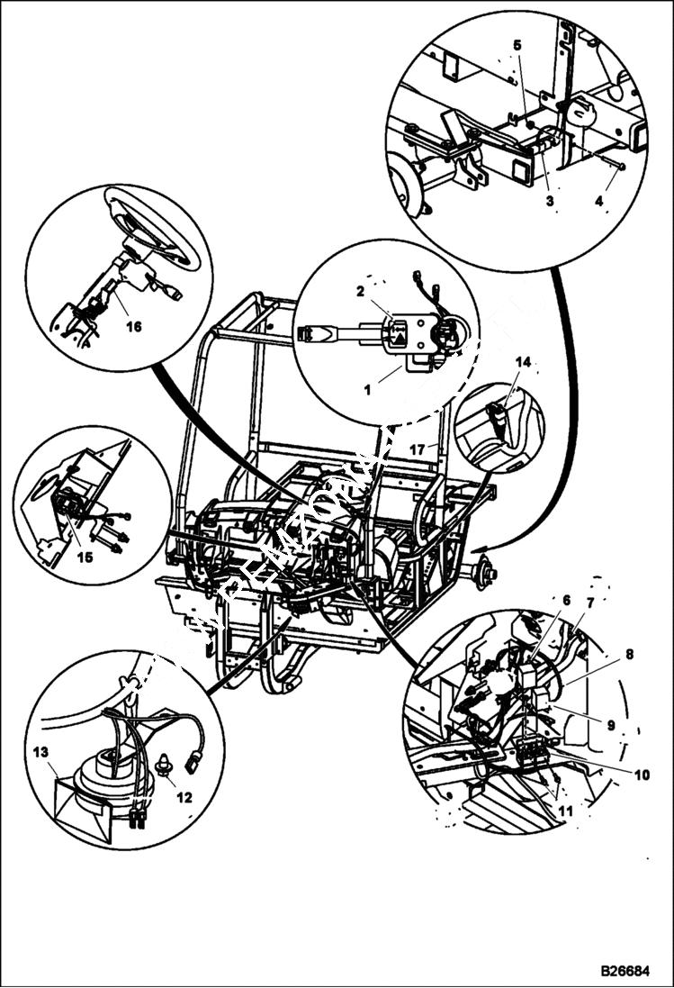
LIGHTING INSTALLATION
№
Артикул
Название
Примечание
Количество
1
102710101CC
SWITCH TURN SIGNAL
2
102740601CC
DECAL DIRECTIONAL
3
102807201CC
CONNECTOR
4
29CM870
BOLT
5
96704416CC
NUT Was 101833001CC - A
6
102742501CC
FLASHER 12V
7
103318101CC
HARNESS, MFR Was 102466001CC - B
8
8639CC
TIE STRAP
9
102721601CC
10
102706701CC
MOUNT FLASHER
11
102238001CC
12
102298720CC
M8-1.25X20 Was 26GM8013 - B
13
102535401CC
HORN
14
102737801CC
WIRE HARNESS
15
102711901CC
BRAKE SWITCH ASSY Was 102711902CC - A
16
102529202CC
WIRE COVER
Выбрано товаров: 0