Качественные детали и логистика
Оригинальные и аналоговые запчасти с доставкой по России, Казахстану и Беларуси
©2022 PartSell ООО "Система" ИНН 2463123282 ОГРН 1212400004838
Центральный офис: г. Красноярск, Академика Киренского, д.87, пом.4
Телефон: 8 (800) 777-65-74 Email: zakaz@partsell.ru
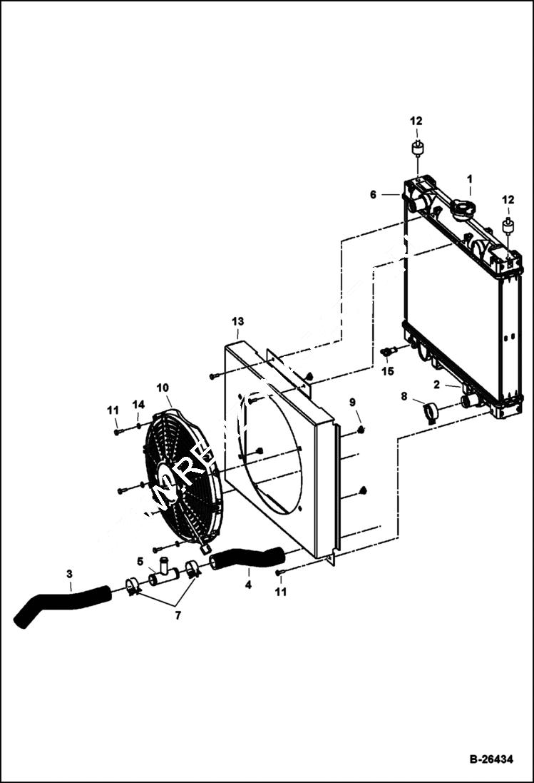
RADIATOR
№
Артикул
Название
Примечание
Количество
1
102737301CC
RADIATOR CAP
2
1014471CC
INSULATION
3
102377801CC
HOSE lower pipe
4
102377901CC
HOSE lower rad
5
102380301CC
TEE
6
102410301CC
RADIATOR W/Ref. 1&15
7
102411207CC
CLAMP
8
102411208CC
9
102411301CC
NUT
10
102436701CC
FAN COOLING
11
102490301CC
BOLT m6x1x16 - W/threadlocker
12
102685001CC
ISOLATOR
13
102855501CC
SHROUD
14
96705199CC
WASHER m6
15
102737401CC
SCREW RADIATOR DRAIN draincock
Выбрано товаров: 0