Качественные детали и логистика
Оригинальные и аналоговые запчасти с доставкой по России, Казахстану и Беларуси
©2022 PartSell ООО "Система" ИНН 2463123282 ОГРН 1212400004838
Центральный офис: г. Красноярск, Академика Киренского, д.87, пом.4
Телефон: 8 (800) 777-65-74 Email: zakaz@partsell.ru
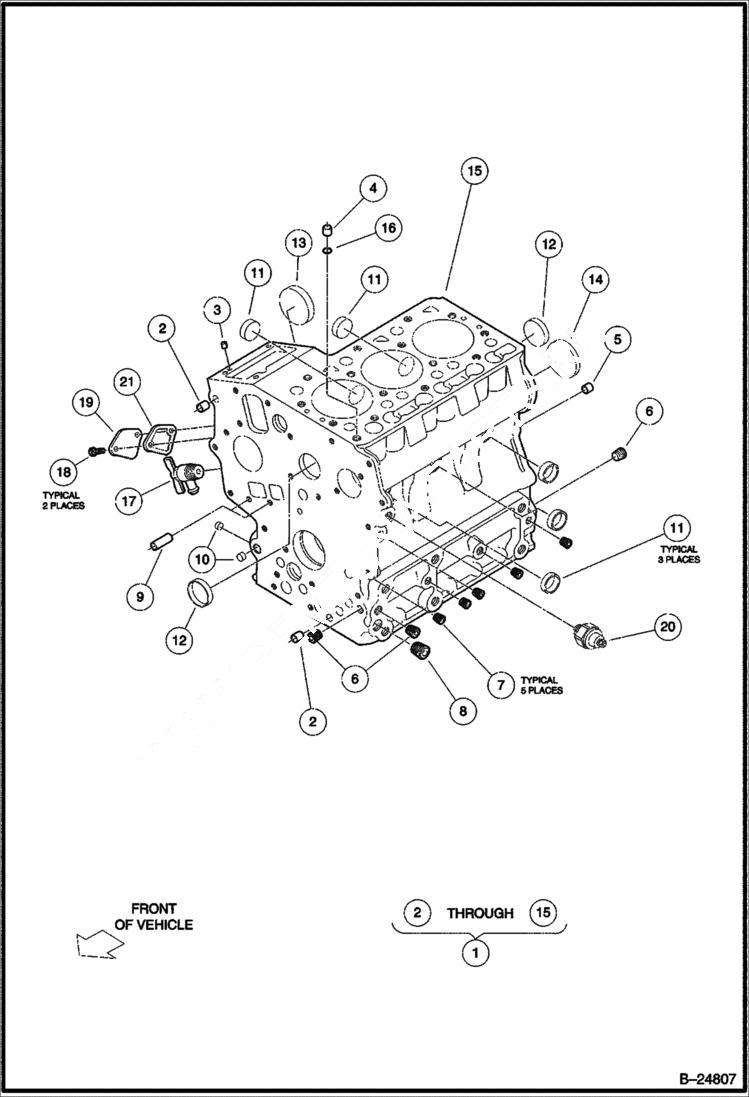
CRANKCASE Diesel
№
Артикул
Название
Примечание
Количество
1
102600001CC
CRANKCASE W/Ref. 2-16
2
102600101CC
PIN
3
102600201CC
4
102600401CC
5
102600601CC
6
6652574
PLUG Was 102600701CC - A
7
6598116
PLUG Was 102600801CC - A
8
6652575
PLUG Was 102601001CC - A
9
6670344
PIN Was 102601301CC - A
10
6670337
PLUG Was 102726201CC - A
11
6670338
PLUG Was 102726301CC - A
12
6657431
CAP Was 102726401CC - A
13
6670339
PLUG Was 102726501CC - A
14
6652573
PLUG Was 102726601CC - A
15
ENGINE BLOCK NLA - Order Ref. 1
16
3974038
O RING Was 102600301CC - A
17
6657456
DRAINCOCK Was 102601401CC - A
18
102631601CC
BOLT
19
6683041
COVER Was 102700801CC - A
20
6969775
SWITCH, OIL PRESSURE oil pressure - Was 665276 - A
21
6657450
GASKET Was 102732601CC - A
Выбрано товаров: 0