Качественные детали и логистика
Оригинальные и аналоговые запчасти с доставкой по России, Казахстану и Беларуси
©2022 PartSell ООО "Система" ИНН 2463123282 ОГРН 1212400004838
Центральный офис: г. Красноярск, Академика Киренского, д.87, пом.4
Телефон: 8 (800) 777-65-74 Email: zakaz@partsell.ru
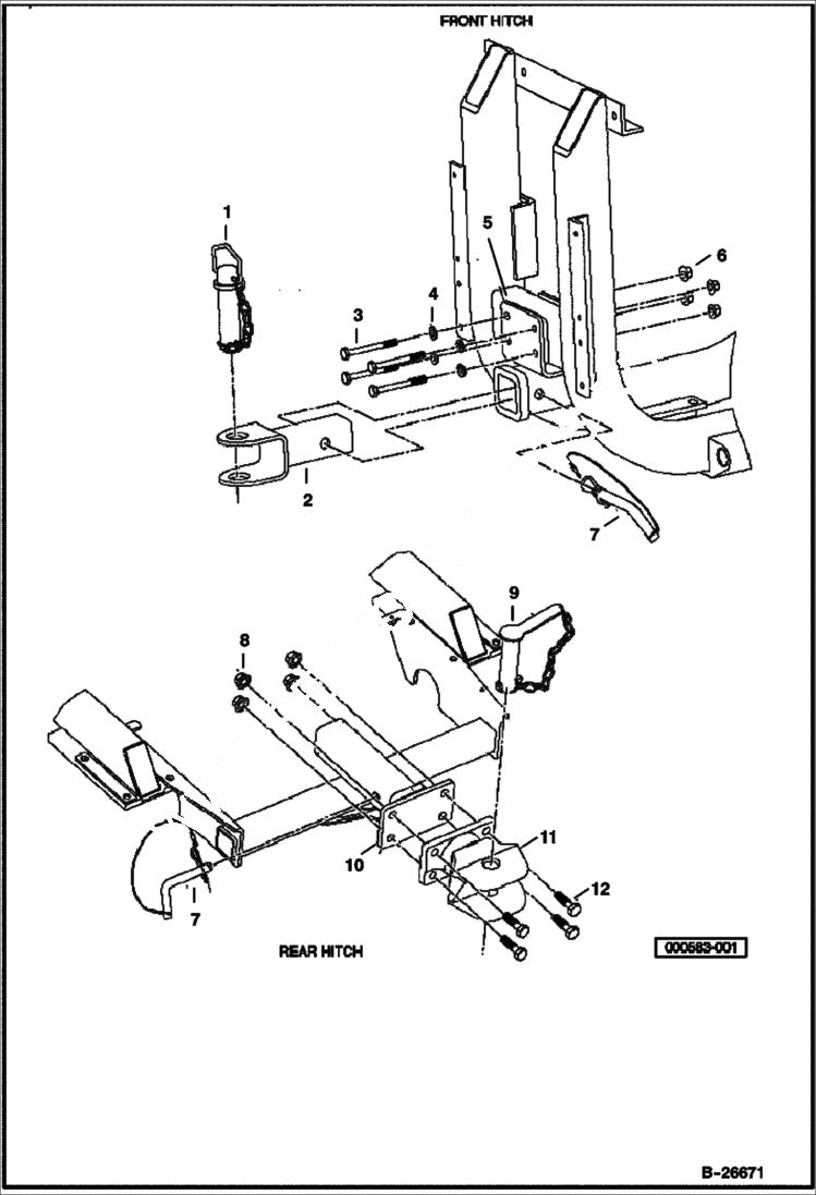
FRONT AND REAR HITCH
№
Артикул
Название
Примечание
Количество
1
102708601CC
PIN
2
102619401CC
COUPLER
3
1CM1090
BOLT
4
102718101CC
WASHER
5
103273901CC
FRT RECEIVER Was 102483601CC - A
6
102617201CC
NUT
7
102718301CC
8
53DM14
9
102708501CC
10
102624701CC
ADAPTER
11
102708201CC
REAR
12
1CM1450
Выбрано товаров: 0